lemon-mirror:
Home >> Chevrolet >> 2012 >> Malibu L4-2.4L >> Repair and Diagnosis >> Powertrain Management >> Computers and Control Systems >> Transmission Position Sensor/Switch >> Service and Repair

Transmission Position Sensor/Switch: Service and Repair




Manual Shift Detent Lever with Shaft Position Switch Assembly Replacement

Special Tools

* DT-48550 - Detent Lever Pin Remover

* DT-41229 - Manual Shaft Pin Installer

For equivalent regional tools, refer to Special Tools 6T30/6T40/6T45/6T50 - Automatic Transmission.

Removal Procedure

1. Remove the control valve body. Refer to Control Valve Body Assembly Removal 3. Control Valve Body Assembly Removal.





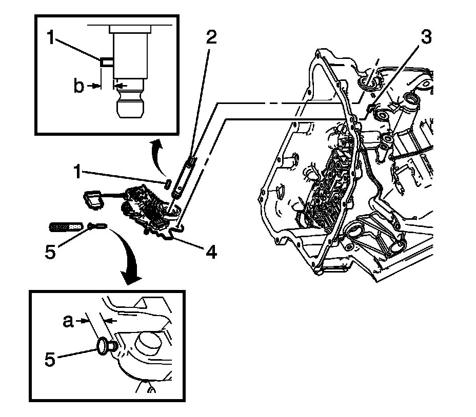
2. Remove the manual shaft detent lever hub pin (1) using DT-48550 - remover.

3. Remove the manual shift shaft pin (5). Discard the pin.

4. Remove the manual shaft (2).

Note:
Disconnect the actuator rod (3) from the detent lever assembly. Do not remove the actuator rod from the transmission case.

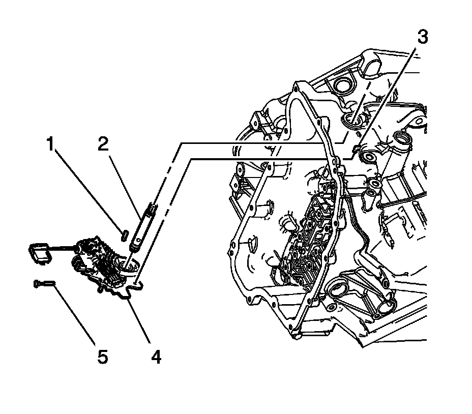
5. Remove the manual shaft detent (w/shift position switch) lever assembly (4).

Installation Procedure





Note:
Connect the actuator rod (3) to the detent lever assembly.

1. Install the manual shaft detent (w/shift position switch) lever assembly (4).

Note:
Lubricate the shaft with automatic transmission fluid to prevent damage to the manual shift shaft seal during installation.

2. Install the manual shaft (2).

3. Install the manual shaft detent lever hub pin (1) using DT-48550 - remover.

Install the manual shaft detent lever hub pin to height of (b) 7.9 mm (0.38 in).

Caution:
Use the manual shaft pin installer to install the pin at the correct height in order to properly secure the manual shaft. If you install the pin too deep, the case bore may crack.

4. Install the NEW manual shift shaft pin (5) using DT-41229 - installer. Use a NEW pin to ensure proper engagement with the case.

Inspect pin installed height is within (a) 7.2-8.2 mm (0.28-0.32 in).

5. Install the control valve body. Refer to Control Valve Body Assembly Installation 47. Control Valve Body Assembly Installation.

6. Perform the service fast learn adapt procedure.