lemon-mirror:
Home >> Chevrolet >> 2012 >> Malibu L4-2.4L >> Repair and Diagnosis >> Powertrain Management >> Computers and Control Systems >> Relays and Modules - Computers and Control Systems >> Engine Control Module >> Service and Repair

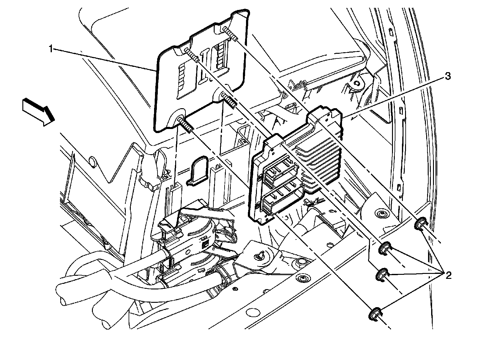
Engine Control Module: Service and Repair




Engine Control Module Replacement