lemon-mirror:
Home >> Chevrolet >> 2012 >> Malibu L4-2.4L >> Repair and Diagnosis >> Heating and Air Conditioning >> Control Module HVAC >> Service and Repair >> HVAC - Automatic

HVAC - Automatic




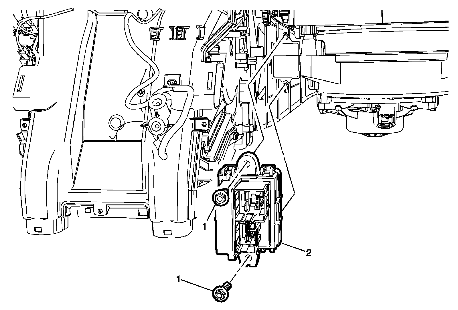
Heater and Blower and Air Conditioning Control Module Replacement