lemon-mirror:
Home >> Chevrolet >> 2012 >> Impala V6-3.6L >> Repair and Diagnosis >> Powertrain Management >> Computers and Control Systems >> Fuel Tank Pressure Sensor >> Service and Repair

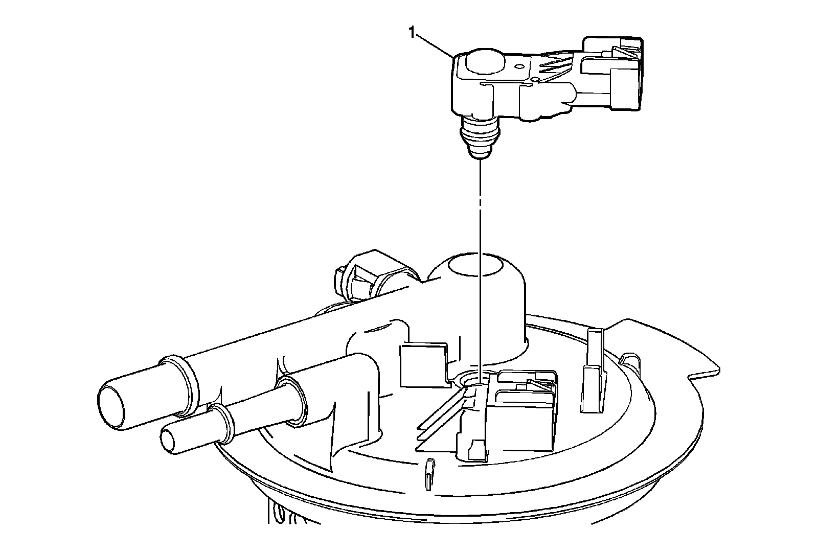
Fuel Tank Pressure Sensor: Service and Repair




Fuel Tank Pressure Sensor Replacement