lemon-mirror:
Home >> Chevrolet >> 2012 >> Express 1500 RWD V6-4.3L >> Repair and Diagnosis >> Powertrain Management >> Computers and Control Systems >> Knock Sensor >> Service and Repair >> Knock Sensor 2 Replacement

Knock Sensor 2 Replacement




Knock Sensor 2 Replacement

Removal Procedure





1. Raise and suitably support the vehicle. Refer to Lifting and Jacking the Vehicle Service and Repair.

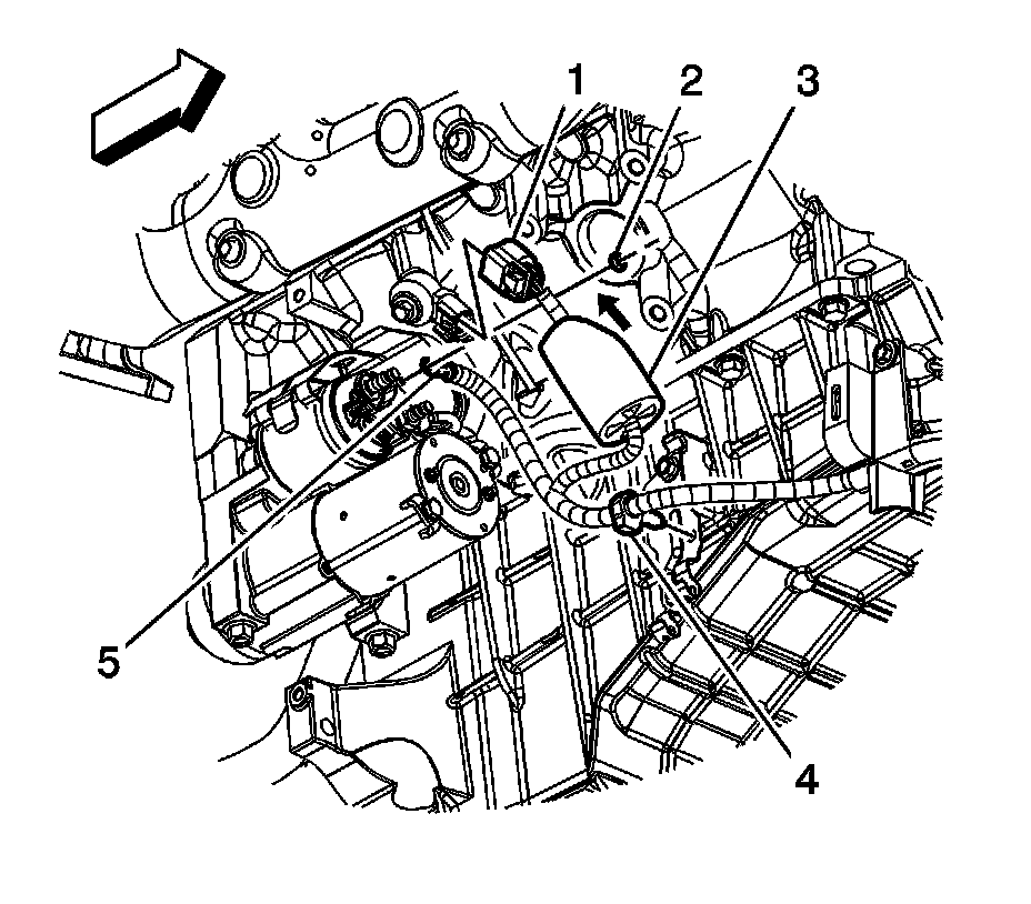
2. Reposition the knock sensor sleeve (2) down, away from the knock sensor.

3. Disconnect the engine wiring harness electrical connector from the knock sensor (1).





4. Remove the knock sensor bolt and sensor.

Installation Procedure





Caution:
Refer to Fastener Caution Fastener Caution.

1. Position the knock sensor to the engine block and install the bolt and tighten to 25 Nm (18 lb ft).





2. Connect the engine wiring harness electrical connector to the knock sensor (1).

3. Position the knock sensor sleeve (2) up and over the knock sensor.

4. Lower the vehicle.