lemon-mirror:
Home >> Chevrolet >> 2012 >> Cruze L4-1.8L >> Repair and Diagnosis >> Powertrain Management >> Ignition System >> Knock Sensor >> Locations

Knock Sensor: Locations




Powertrain Component Views

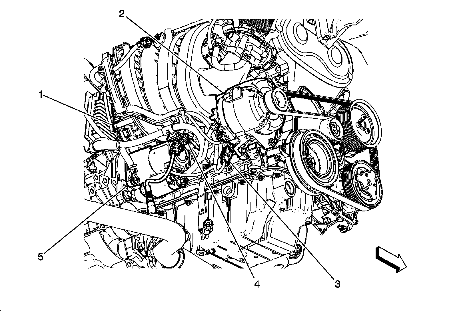
Right Rear of Engine Components (LUW)




1 - Q22 Intake Manifold Tuning Solenoid Valve
2 - G13 Generator
3 - B68 Knock Sensor
4 - B52B Heated Oxygen Sensor 2
5 - M64 Starter Motor