lemon-mirror:
Home >> Chevrolet >> 2012 >> Cruze L4-1.8L >> Repair and Diagnosis >> Powertrain Management >> Computers and Control Systems >> Vehicle Speed Sensor >> Locations

Vehicle Speed Sensor: Locations




Powertrain Component Views

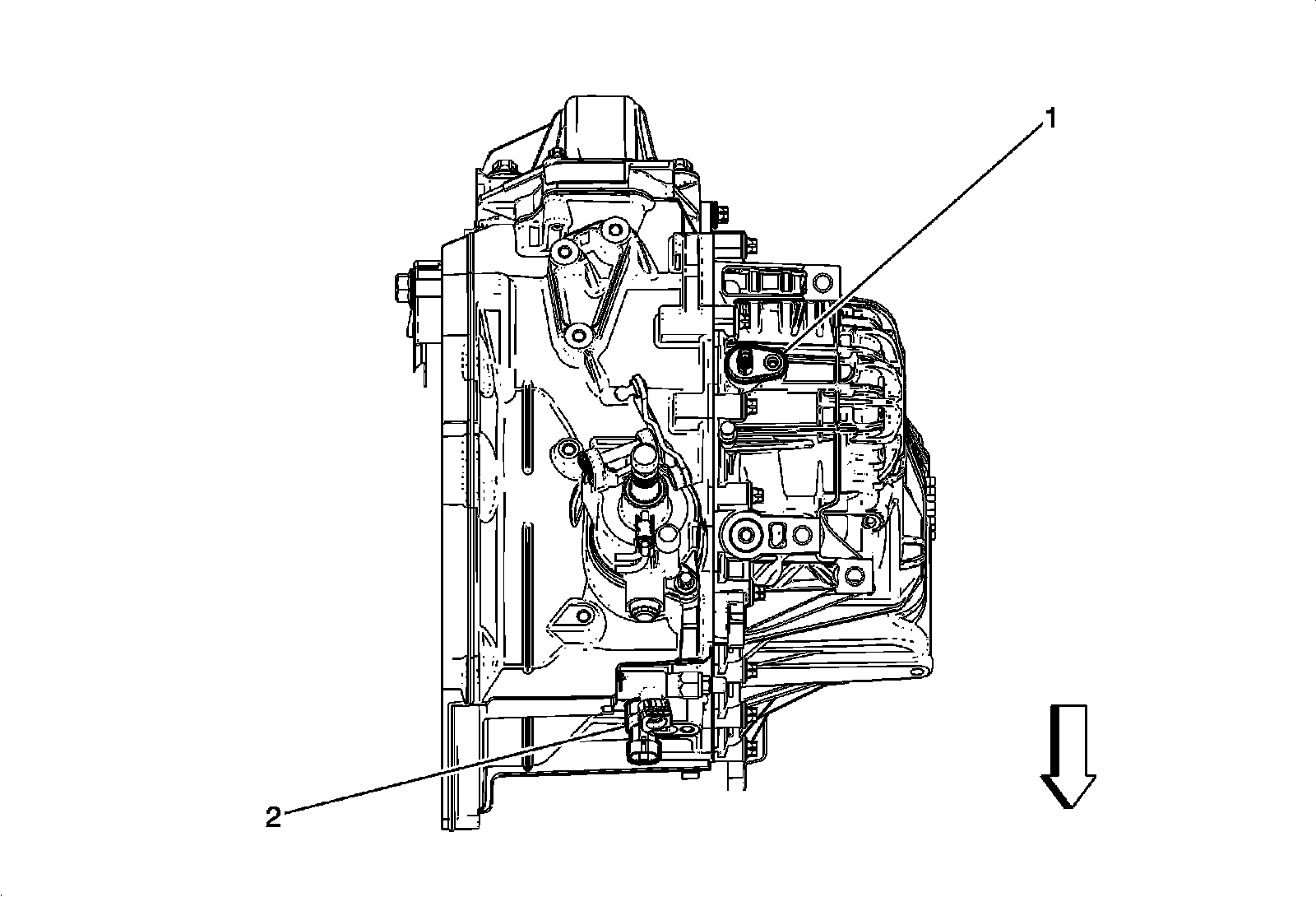
Transmission Components (MF3 or MZ0)




1 - B115 Vehicle Speed Sensor
2 - B16 Backup Lamp Switch