lemon-mirror:
Home >> Chevrolet >> 2012 >> Corvette V8-6.2L >> Repair and Diagnosis >> Locations >> Component Locations >> Powertrain Component Views >> Top Front Engine Components

Top Front Engine Components




Powertrain Component Views

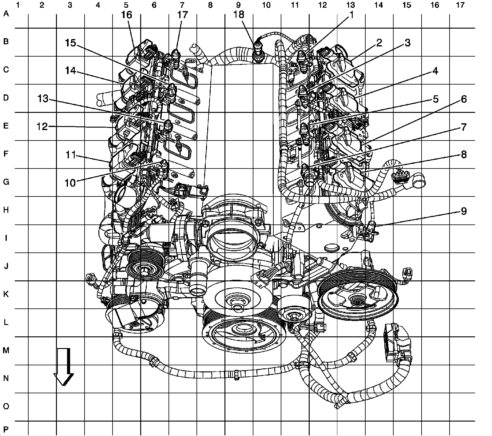
Top Front Engine Components (LS3)





1 - Fuel Injector 7

2 - Ignition Coil 7

3 - Fuel Injector 5

4 - Ignition Coil 5

5 - Fuel Injector 3

6 - Ignition Coil 3

7 - Fuel Injector 1

8 - Ignition Coil 1

9 - Engine Coolant Temperature (ECT) Sensor

10 - Fuel Injector 2

11 - Ignition Coil 2

12 - Ignition Coil 4

13 - Fuel Injector 4

14 - Ignition Coil 6

15 - Fuel Injector 6

16 - Ignition Coil 8

17 - Fuel Injector 8

18 - Engine Oil Pressure (EOP) Sensor