lemon-mirror:
Home >> Chevrolet >> 2012 >> Camaro V8-6.2L >> Repair and Diagnosis >> Powertrain Management >> Computers and Control Systems >> Throttle Position Sensor >> Locations

Throttle Position Sensor: Locations




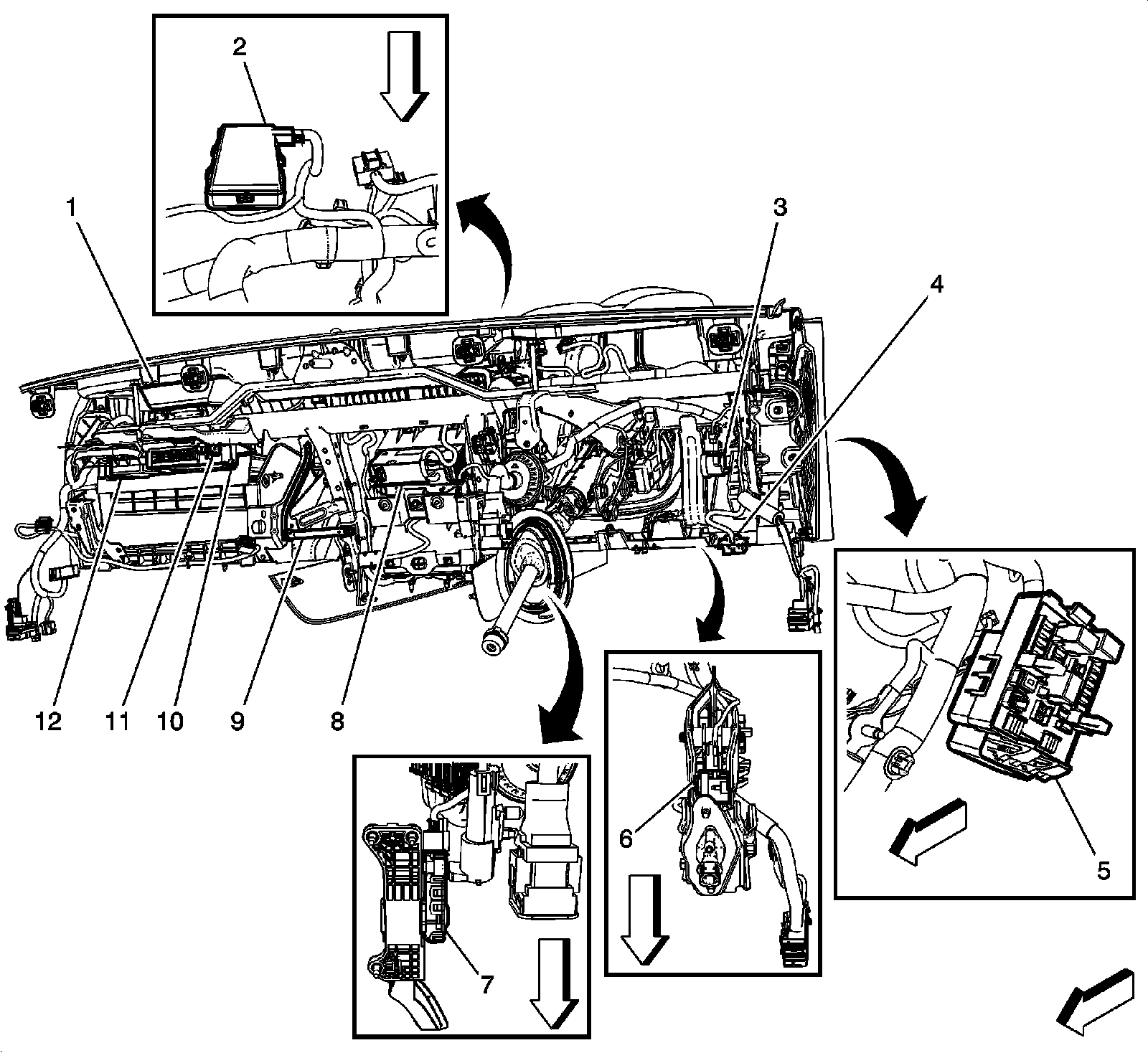
Instrument Panel/Center Console Component Views

Behind the Instrument Panel Components





1 - F105 Passenger Instrument Panel Air Bag

2 - K77 Remote Control Door Lock Receiver (W/O BTV)

3 - B22 Brake Pedal Position Sensor

4 - X84 Data Link Connector

5 - X51A Fuse Block - Instrument Panel

6 - B25B Clutch Pedal Position Sensor (MV5/M10)

7 - B107 Accelerator Pedal Position Sensor

8 - A11 Radio

9 - B39 A/C Evaporator Temperature Sensor

10 - K73 Telematics Communication Interface Control Module (UE1)

11 - T4S Wireless Communication Antenna - Bluetooth (UPF)

12 - C3 Telematics Communication Interface Control Module Battery (UE1)