lemon-mirror:
Home >> Chevrolet >> 2012 >> Camaro V8-6.2L >> Repair and Diagnosis >> Body and Frame >> Body Control Systems >> Body Control Module >> Service and Repair

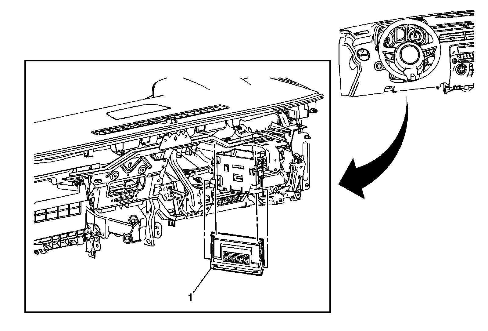
Body Control Module: Service and Repair




Body Control Module Replacement