lemon-mirror:
Home >> Chevrolet >> 2011 >> HHR L4-2.2L >> Repair and Diagnosis >> Powertrain Management >> Computers and Control Systems >> Transmission Position Sensor/Switch >> Locations >> Harness Routing Views

Harness Routing Views




Harness Routing Views

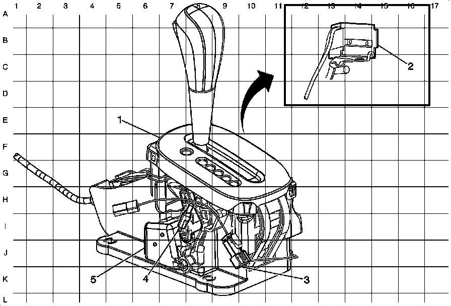
Automatic Transmission Shift Lever Components (MN5)




1 - Automatic Transmission Shift Lever
2 - Park Position Switch
3 - X307
4 - Automatic Transmission Shift Lever Bulb and Socket
5 - Automatic Transmission Shift Lock Control Solenoid