lemon-mirror:
Home >> Chevrolet >> 2011 >> HHR L4-2.2L >> Repair and Diagnosis >> Accessories and Optional Equipment >> Cellular Phone >> Communications Control Module >> Service and Repair >> Communication Interface Module Replacement

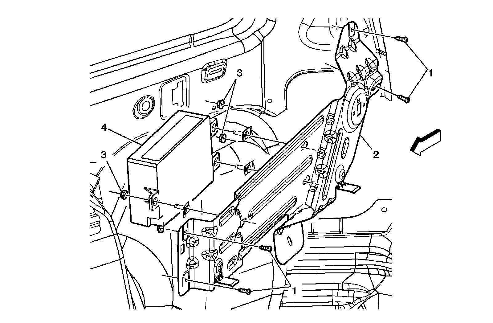
Communication Interface Module Replacement




Communication Interface Module Replacement