lemon-mirror:
Home >> Chevrolet >> 2011 >> Express 2500 V8-6.6L DSL Turbo >> Repair and Diagnosis >> Locations >> Component Locations >> Powertrain Component Views >> Engine Components

Engine Components




Powertrain Component Views

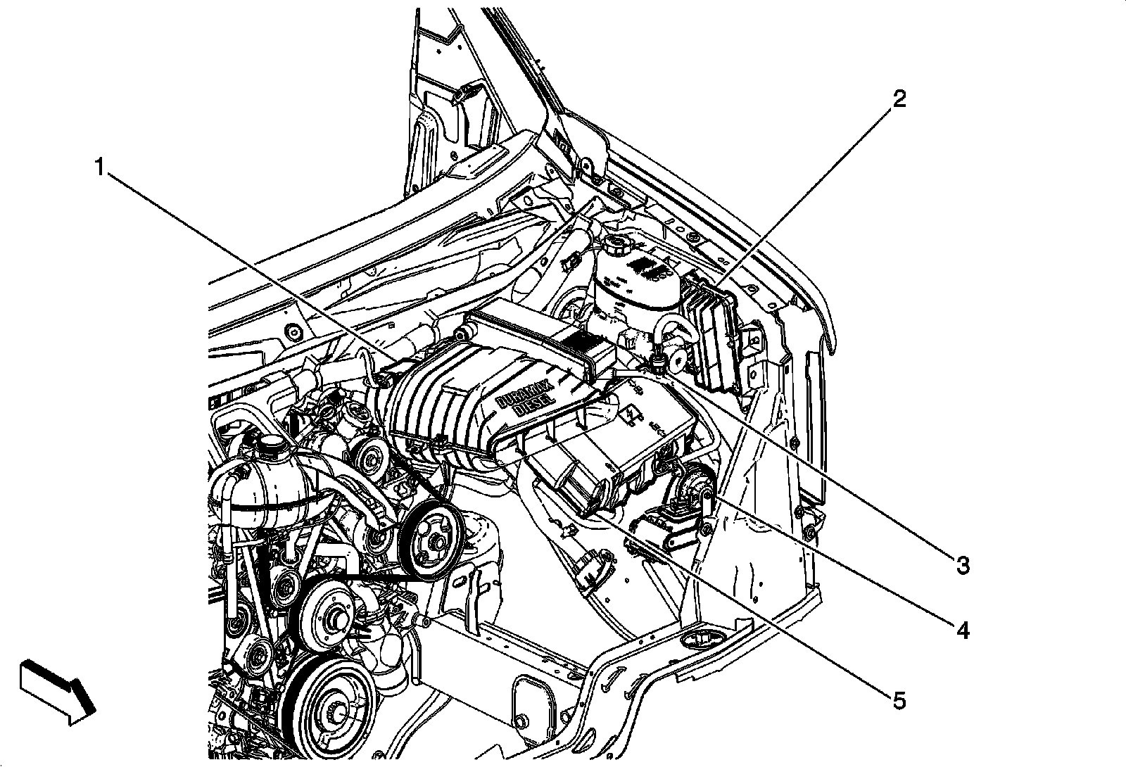
Engine Components (LGH)




1 - Mass Air Flow (MAF) Sensor/Intake Air Temperature (IAT) Sensor
2 - Engine Control Module (ECM)
3 - A/C Refrigerant Pressure Sensor
4 - Horn Assembly
5 - Fuse Block - Underhood