lemon-mirror:
Home >> Chevrolet >> 2011 >> Express 1500 AWD V8-5.3L >> Repair and Diagnosis >> Powertrain Management >> Computers and Control Systems >> Oxygen Sensor >> Locations

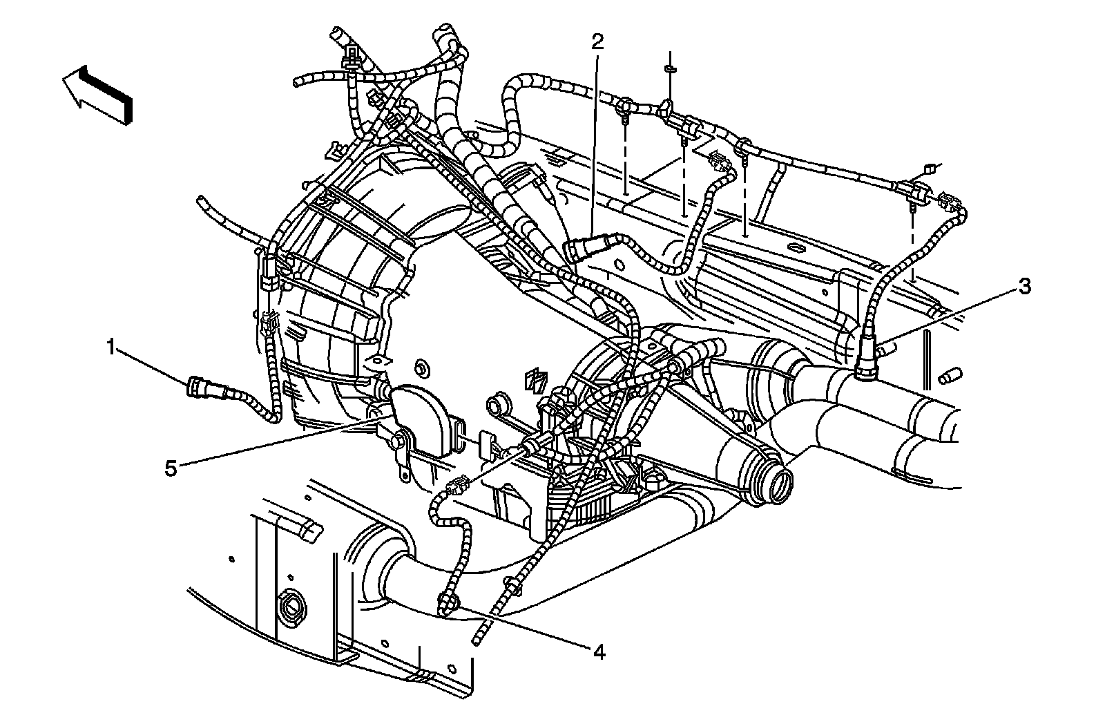
Oxygen Sensor: Locations




Powertrain Component Views

Rear of the Engine (LU3 or LMF)




1 - Heated Oxygen Sensor (HO2S) - Bank 1 Sensor 1
2 - Heated Oxygen Sensor (HO2S) - Bank 2 Sensor 1
3 - Heated Oxygen Sensor (HO2S) - Bank 2 Sensor 2
4 - Heated Oxygen Sensor (HO2S) - Bank 1 Sensor 2
5 - Park/Neutral Position (PNP) Switch