lemon-mirror:
Home >> Chevrolet >> 2011 >> Cruze L4-1.8L >> Repair and Diagnosis >> Heating and Air Conditioning >> Control Module HVAC >> Locations

Control Module HVAC: Locations




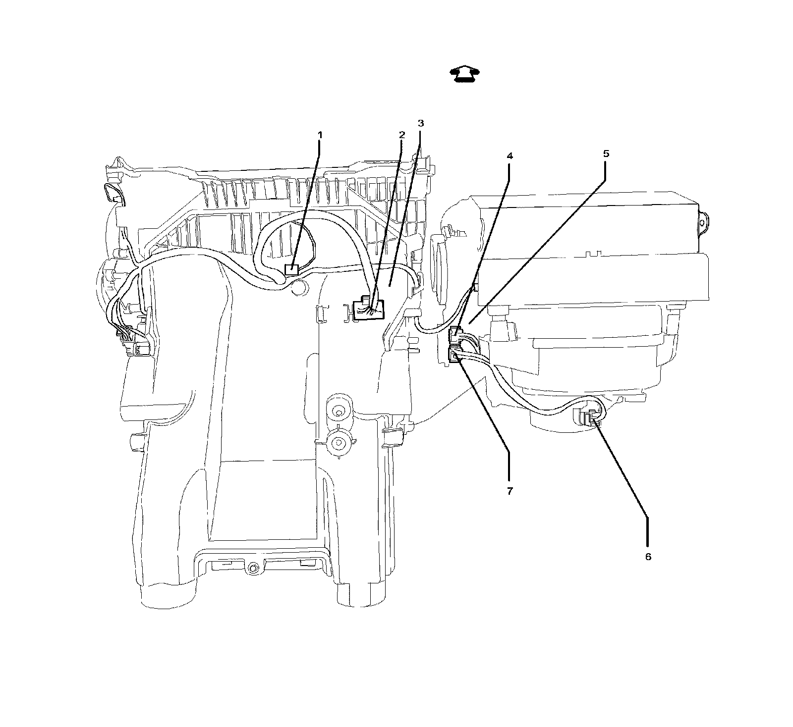
Instrument Panel/Center Console Component Views

Behind the Center of the I/P Components (C68)




1 - X212 Instrument Panel Harness and HVAC Haness
2 - X3 HVAC Control Module X3
3 - K33 HVAC Control Module
4 - X2 Blower Motor Control Module X2
5 - K8 Blower Motor Control Module
6 - M8 Blower Motor
7 - X1 Blower Motor Control Module X1