lemon-mirror:
Home >> Chevrolet >> 2011 >> Corvette V8-6.2L >> Repair and Diagnosis >> Locations >> Component Locations >> Powertrain Component Views >> Top Front Engine Components

Top Front Engine Components




Powertrain Component Views

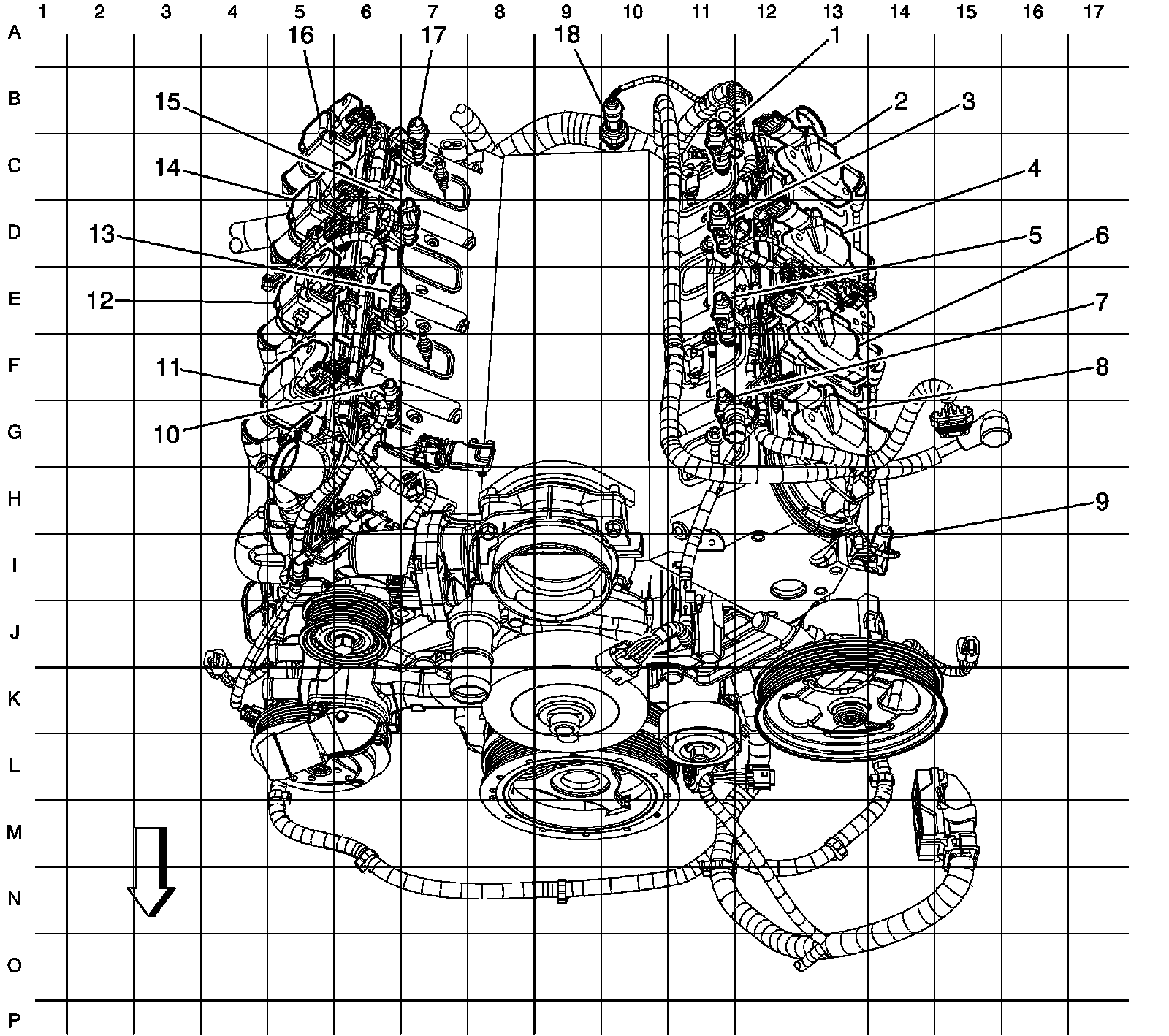
Top Front Engine Components




1 - Fuel Injector 7
2 - Ignition Coil 7
3 - Fuel Injector 5
4 - Ignition Coil 5
5 - Fuel Injector 3
6 - Ignition Coil 3
7 - Fuel Injector 1
8 - Ignition Coil 1
9 - Engine Coolant Temperature (ECT) Sensor
10 - Fuel Injector 2
11 - Ignition Coil 2
12 - Ignition Coil 4
13 - Fuel Injector 4
14 - Ignition Coil 6
15 - Fuel Injector 6
16 - Ignition Coil 8
17 - Fuel Injector 8
18 - Engine Oil Pressure (EOP) Sensor