lemon-mirror:
Home >> Chevrolet >> 2011 >> Colorado 2WD L5-3.7L >> Repair and Diagnosis >> Diagrams >> Exploded Views >> Variable Valve Timing

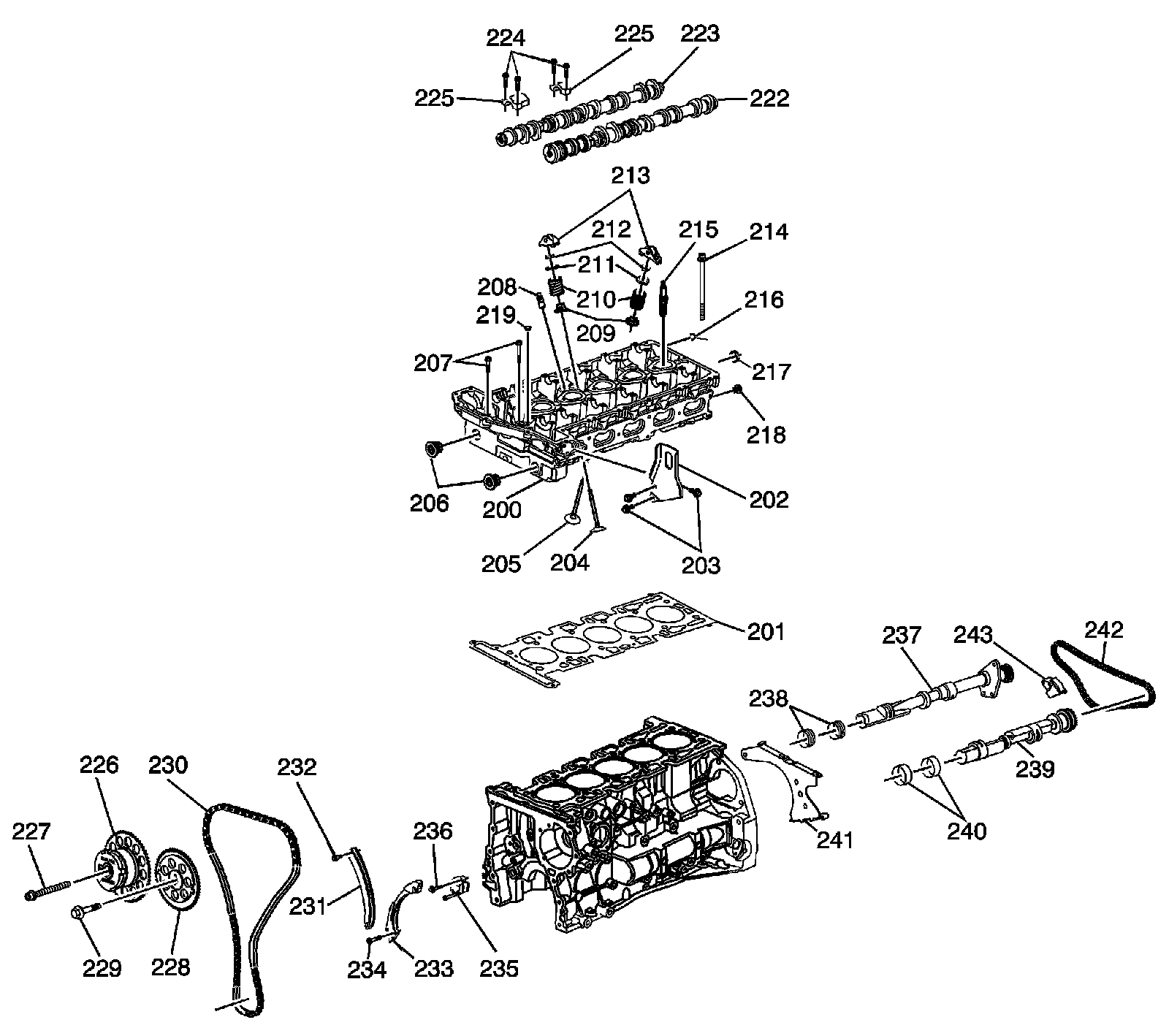
Variable Valve Timing




Disassembled Views

Cylinder Head Components




200 - Cylinder Head
201 - Cylinder Head Gasket
202 - Engine Lift Bracket
203 - Engine Lift Bracket Bolts
204 - Intake Valve
205 - Exhaust Valve
206 - Access Hole Plugs
207 - Cylinder Head Bolt
208 - Valve Lash Adjusters
209 - Valve Seals
210 - Valve Springs
211 - Valve Spring Retainers
212 - Valve Keys
213 - Valve Rocker Arms
214 - Cylinder Head Bolt
215 - Spark Plug
216 - A.I.R. Pipe Plug
217 - Water Jacket Plug
218 - Oil Gallery Plug
219 - Oil Gallery Plug
222 - Intake Camshaft
223 - Exhaust Camshaft
224 - Camshaft Cap Bolts
225 - Camshaft Cap
225 - Camshaft Cap
226 - Exhaust Camshaft Actuator
227 - Exhaust Camshaft Actuator Bolt
228 - Intake Camshaft Sprocket
229 - Intake Camshaft Sprocket Bolt
230 - Timing Chain
231 - Timing Chain Tensioner Shoe
232 - Timing Chain Tensioner Shoe Bolt
233 - Timing Chain Guide
234 - Timing Chain Guide Bolt
235 - Timing Chain Tensioner
236 - Timing Chain Tensioner Bolt
237 - Right Balance Shaft
238 - Right Front and Rear Balance Shaft Bearings
239 - Left Balance Shaft
240 - Left Front and Rear Balance Shaft Bearings
241 - Balance Shaft Chain Guide
242 - Balance Shaft Chain
243 - Balance Shaft Chain Tensioner