lemon-mirror:
Home >> Chevrolet >> 2011 >> Colorado 2WD L4-2.9L >> Repair and Diagnosis >> Powertrain Management >> Computers and Control Systems >> Camshaft Position Sensor >> Service and Repair

Camshaft Position Sensor: Service and Repair




Camshaft Position Sensor Replacement

Removal Procedure




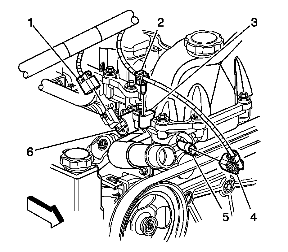
1. Disconnect the engine wiring harness electrical connector (4) from the camshaft position (CMP) sensor (5).




2. Remove the CMP sensor retaining bolt.
3. Remove the CMP sensor from the cylinder head.
Discard the O-ring seal.

Installation Procedure

1. Install a new O-ring seal to the CMP sensor.
2. Lightly lubricate the O-ring seal with clean engine oil.




3. Install the CMP sensor into the cylinder head.

Caution: Refer to Fastener Caution (Fastener Caution).

4. Install the CMP sensor bolt.

Tighten the camshaft position (CMP) sensor bolt to 10 Nm (89 lb in).




5. Connect the engine wiring harness electrical connector (4) to the CMP sensor (5).