lemon-mirror:
Home >> Chevrolet >> 2011 >> Caprice PPV V8-6.0L >> Repair and Diagnosis >> Powertrain Management >> Computers and Control Systems >> Fuel Level Sensor >> Locations >> Fuel Level Sensor

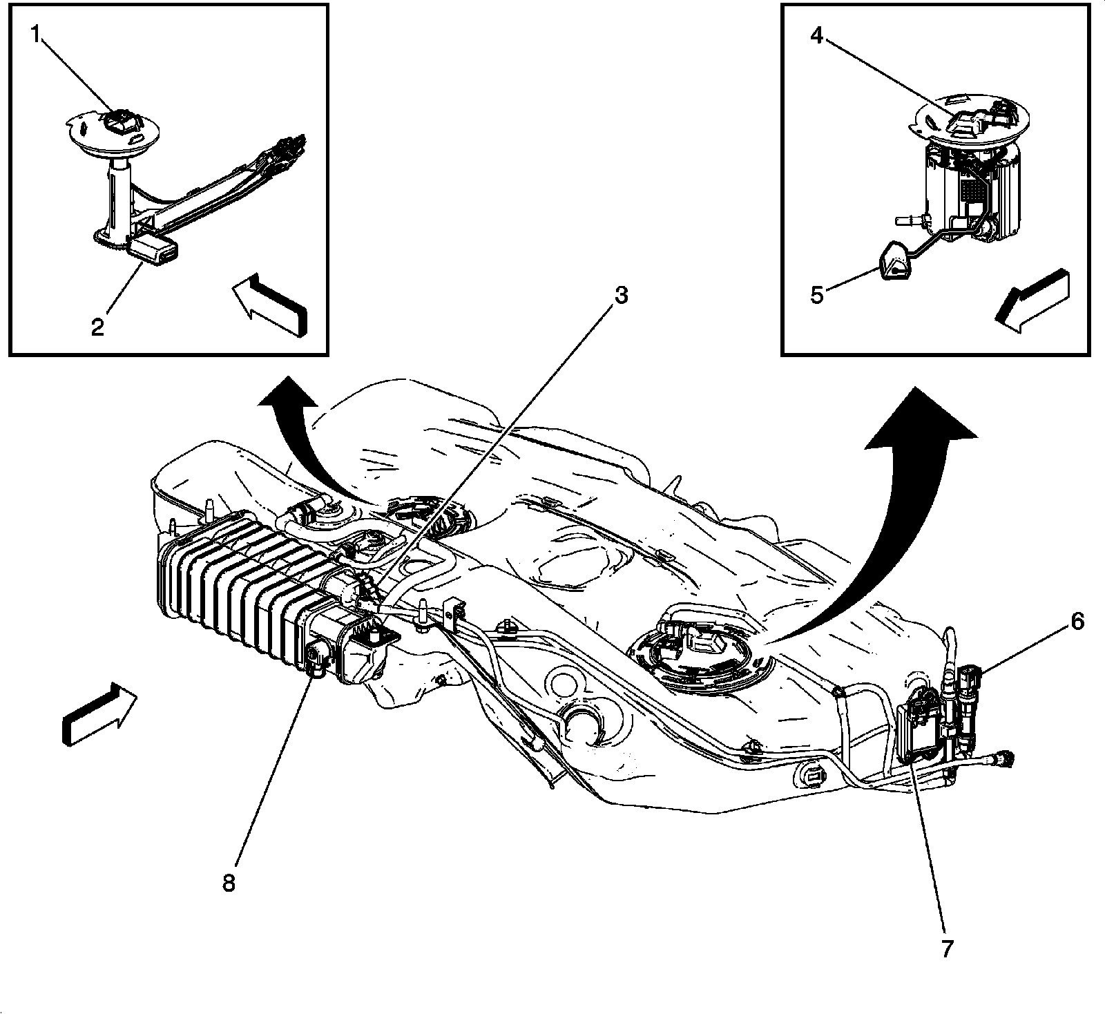
Fuel Level Sensor




Wheels/Vehicle Underbody Component Views

Fuel Tank Components





1 - A7 Fuel Pump and Level Sensor Assembly

2 - B46B Fuel Level Sensor - Secondary

3 - Evaporative Emission Canister

4 - A7 Fuel Pump and Level Sensor Assembly

5 - B46 Fuel Level Sensor

6 - B150 Fuel Tank Pressure Sensor

7 - B198 Fuel Composition Sensor

8 - Q13 Evaporative Emission Vent Solenoid Valve