lemon-mirror:
Home >> Chevrolet >> 2011 >> Camaro V8-6.2L >> Repair and Diagnosis >> Powertrain Management >> Computers and Control Systems >> Throttle Position Sensor >> Locations

Throttle Position Sensor: Locations




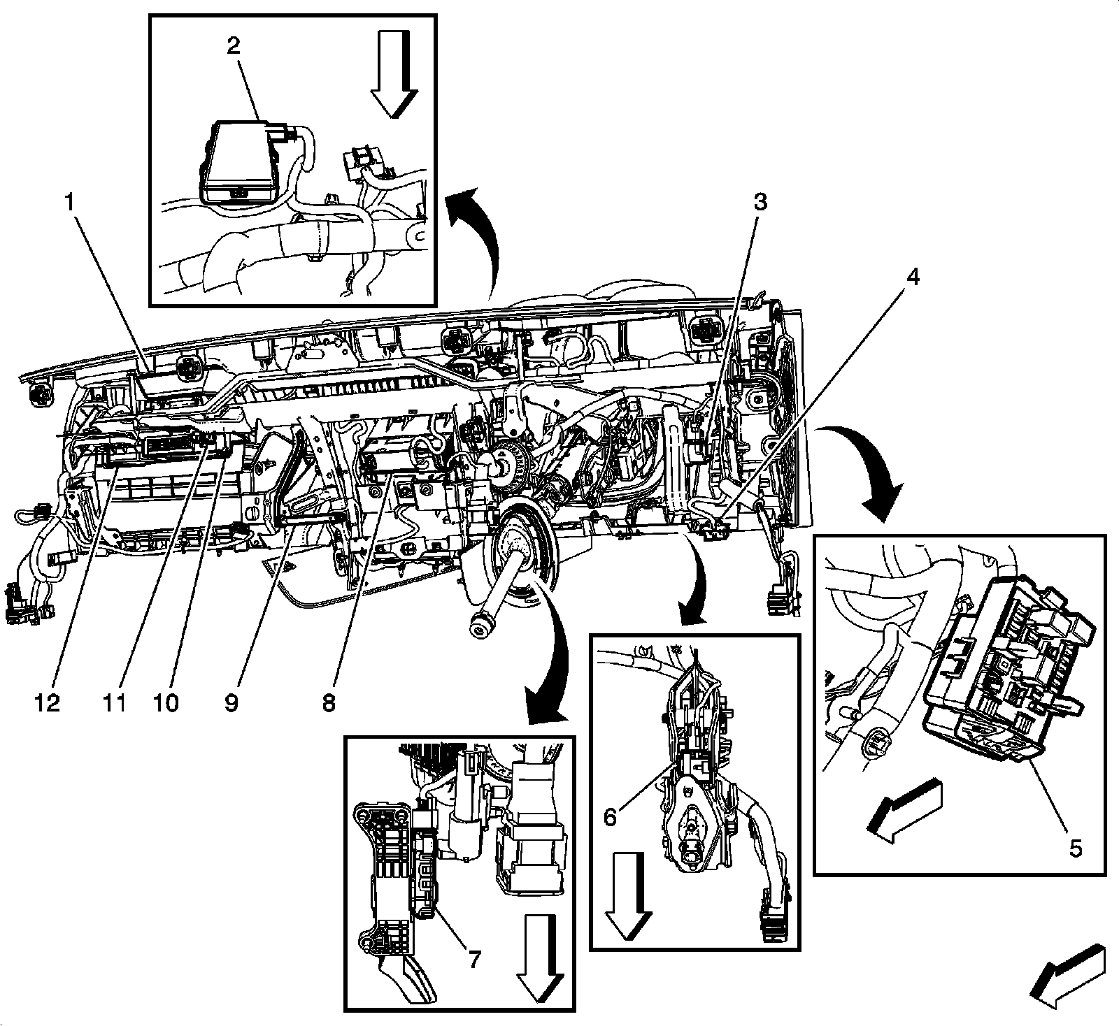
Instrument Panel/Center Console Component Views

Behind the Instrument Panel Components




1 - F105 Passenger Instrument Panel Air Bag
2 - K77 Remote Control Door Lock Receiver (W/O BTV)
3 - B22 Brake Pedal Position Sensor
4 - X84 Data Link Connector
5 - X51A Fuse Block - Instrument Panel
6 - B25B Clutch Pedal Position Sensor (MV5/M10)
7 - B107 Accelerator Pedal Position Sensor
8 - A11 Radio
9 - B39 A/C Evaporator Temperature Sensor
10 - K73 Telematics Communication Interface Control Module (UE1)
11 - T4S Wireless Communication Antenna - Bluetooth (UPF)
12 - C3 Telematics Communication Interface Control Module Battery (UE1)