lemon-mirror:
Home >> Chevrolet >> 2011 >> Camaro V8-6.2L >> Repair and Diagnosis >> Powertrain Management >> Computers and Control Systems >> Oil Pressure Sensor >> Service and Repair

Oil Pressure Sensor: Service and Repair




Engine Oil Pressure Sensor and/or Switch Replacement (L99/LS3)

Special Tools

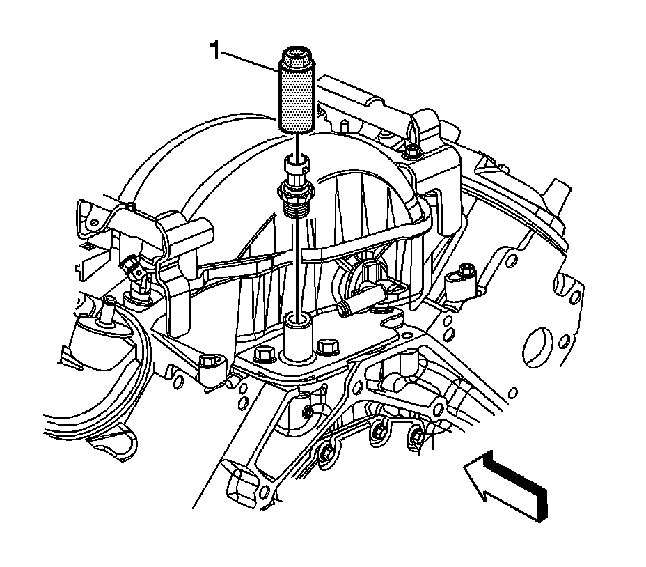
J 41712 Oil Pressure Sensor Socket

Removal Procedure




1. Remove the engine cover. Refer to Engine Cover Replacement (Service and Repair)
2. Clean area around the oil sensor/switch before removing it.
3. Remove the positive crankcase ventilation hose/pipe/tube. Refer to Positive Crankcase Ventilation Hose/Pipe/Tube Replacement (Service and Repair)




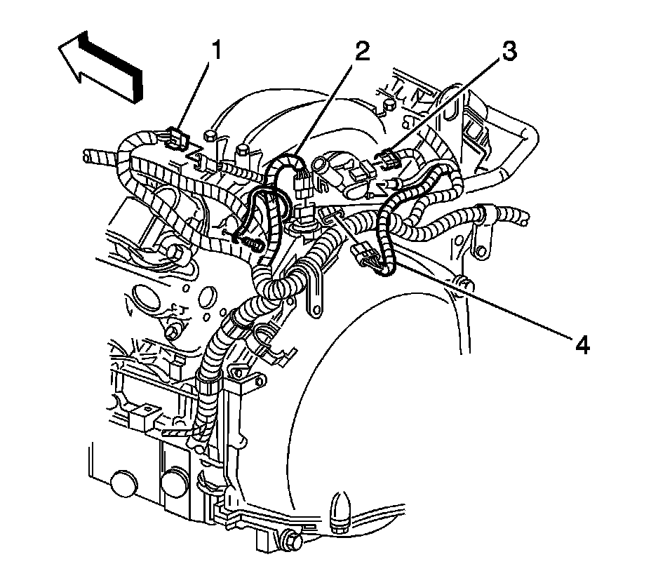
4. Disconnect the electrical connector for the oil pressure sensor/switch (2).




5. Using the J 41712 (1) , remove the oil pressure sensor/switch.

Installation Procedure




1. If installing the old sensor, apply threadlocker sealant. Refer to Adhesives, Fluids, Lubricants, and Sealers (Adhesives, Fluids, Lubricants, and Sealers) for the correct part number.

Caution: Refer to Fastener Caution (Fastener Caution).

2. Using the J 41712 (1), install the oil pressure sensor/switch. Tighten the engine oil pressure sensor to 20 Nm (15 lb ft).




3. Reconnect the oil pressure sensor/switch electrical connector (2).




4. Install the vacuum hose for the power brake booster.
5. Install the left engine sight cover.