lemon-mirror:
Home >> Chevrolet >> 2011 >> Camaro V8-6.2L >> Repair and Diagnosis >> Powertrain Management >> Computers and Control Systems >> Crankshaft Position Sensor >> Service and Repair

Crankshaft Position Sensor: Service and Repair




Crankshaft Position Sensor Replacement

Removal Procedure

Danger: To avoid any vehicle damage, serious personal injury or death when major components are removed from the vehicle and the vehicle is supported by a hoist, support the vehicle with jack stands at the opposite end from which the components are being removed and strap the vehicle to the hoist.


Warning: Refer to Protective Goggles and Glove Warning (Protective Goggles and Glove Warning).

1. Disconnect the battery ground cable from the battery. Refer to Battery Negative Cable Disconnection and Connection (Battery Negative Cable Disconnection and Connection).
2. Raise and support the vehicle. Refer to Lifting and Jacking the Vehicle (Service and Repair).
3. Remove the starter. Refer to Starter Replacement (LLT) (Service and Repair)Starter Replacement (LS3/L99) (Service and Repair).




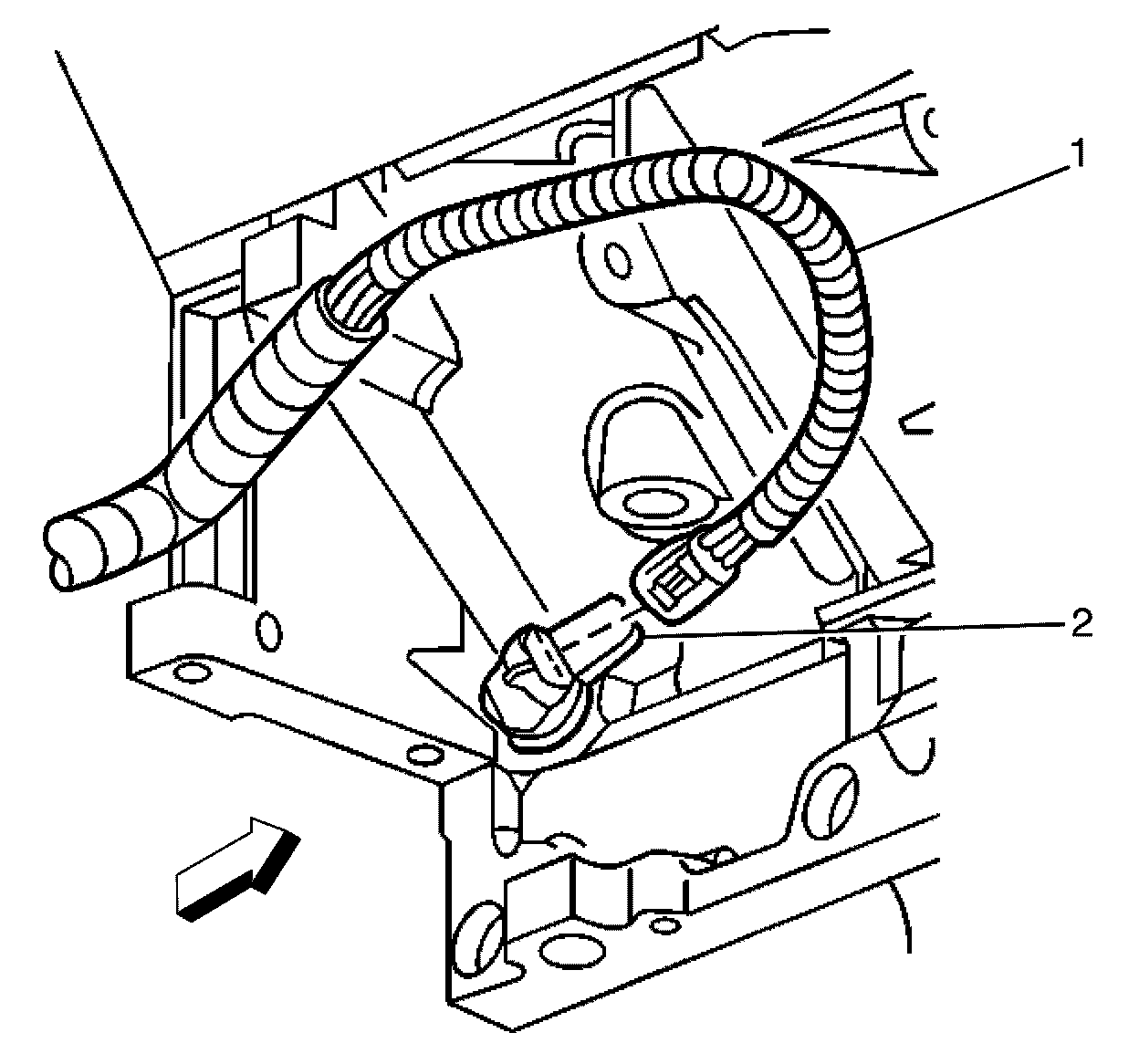
4. Disconnect the crankshaft position (CKP) sensor electrical connector (2) from the wiring harness (1).




5. Remove the CKP sensor to engine block retaining bolt (1).
6. Remove the CKP sensor (2) from the engine block.

Installation Procedure




1. Install the CKP sensor (2) to the engine block.

Caution: Refer to Fastener Caution (Fastener Caution).

2. Install the CKP sensor to engine block retaining bolt (1) and tighten to 25 Nm (18 lb ft).




3. Connect the CKP sensor electrical connector (2) to the wiring harness (1).
4. Install the starter. Refer to Starter Replacement (LLT) (Service and Repair)Starter Replacement (LS3/L99) (Service and Repair).
5. Lower the vehicle.
6. Connect the battery ground cable to the battery. Refer to Battery Negative Cable Disconnection and Connection (Battery Negative Cable Disconnection and Connection).
7. If re-programming is required. Refer to Control Module References (Programming and Relearning).