lemon-mirror:
Home >> Chevrolet >> 2011 >> Camaro V8-6.2L >> Repair and Diagnosis >> Powertrain Management >> Computers and Control Systems >> Body Control Module >> Service and Repair

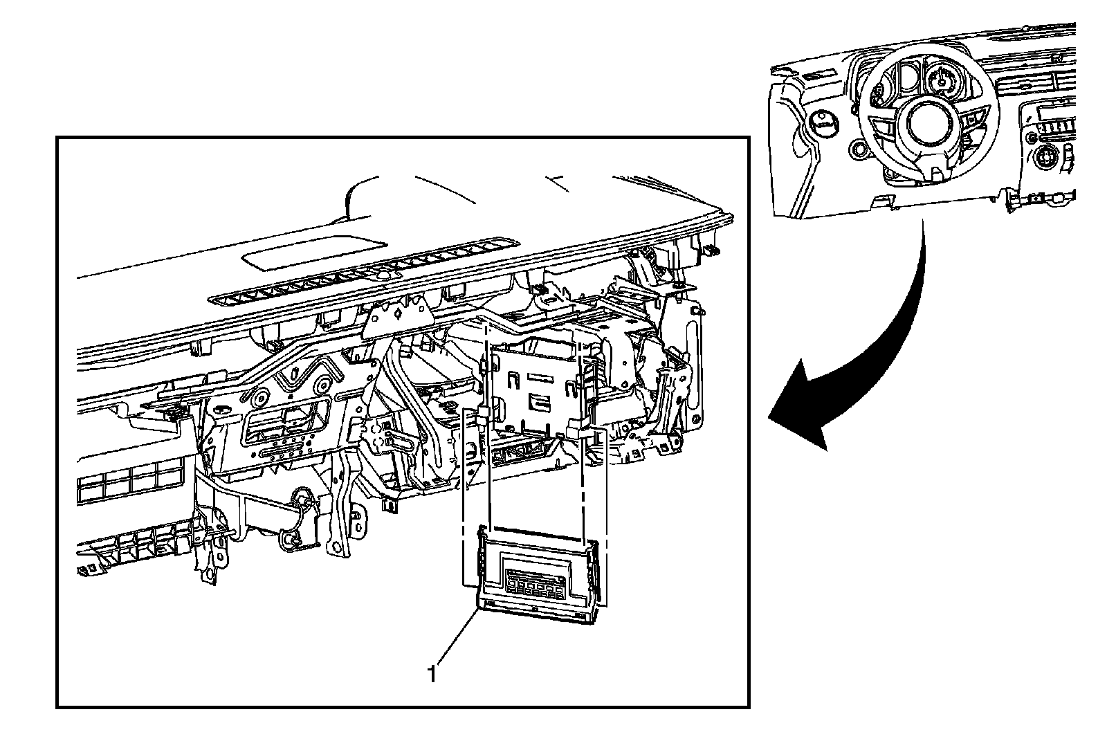
Body Control Module: Service and Repair




Body Control Module Replacement