lemon-mirror:
Home >> Chevrolet >> 2011 >> Aveo L4-1.6L >> Repair and Diagnosis >> Powertrain Management >> Computers and Control Systems >> Engine Control Module >> Locations >> Harness Locations

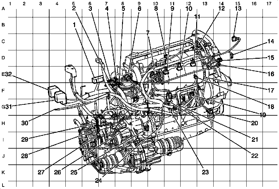
Harness Locations




Harness Routing Views

Engine Harness Routing (1.4L/1.6L)




1 - Fuse Block - Underhood X1
2 - Crankshaft Position (CKP) Sensor
3 - Backup Switch (D16/Y4M)
4 - Heated Oxygen Sensor (HO2S) 1
5 - Ignition Coil Module
6 - Exhaust Gas Recirculation (EGR) Valve
7 - Fuel Injector 1
8 - Manifold Absolute Pressure (MAP) Sensor
9 - Fuel Injector 2
10 - Fuel Injector 3
11 - Fuel Injector 4
12 - Camshaft (CMP) Sensor
13 - Intake Air Temperature (IAT) Sensor
14 - A/C Refrigerant Pressure Sensor
15 - Throttle Position (TP) Sensor
16 - Idel Air Control (IAC) Valve
17 - Generator
18 - Engine Coolant Temperature (ECT) Sensor
19 - Evaporative Emission (EVAP) Canister Purge Solenoid Valve
20 - Oil Pressure Switch
21 - Knock Sensor (KS)
22 - VGI Solenoid Valve
23 - Starter
24 - G104
25 - Vehicle Speed Sensor (VSS) (D16/Y4M)
26 - X105
27 - Octane Selector Switch
28 - Rough Road Sensor
29 - X204
30 - G103
31 - Engine Control Module (ECM) X2
32 - Engine Control Module (ECM) X1

TCM Harness Routing




1 - X105
2 - Transmission Connector
3 - Input Speed Sensor (ISS)
4 - Park/Neutral Position (PNP) Switch
5 - Vehicle Speed Sensor (VSS)
6 - Transmission Control Module X1
7 - Transmission Control Module X2
8 - X206