lemon-mirror:
Home >> Chevrolet >> 2010 >> Impala V6-3.5L >> Repair and Diagnosis >> Diagrams >> Exploded Views >> Engine >> System Diagram

System Diagram




Disassembled Views

Upper Intake Manifold and Components




1 - Upper Intake Manifold
2 - Upper Intake Manifold Stud
3 - Upper Intake Manifold Bolt
4 - Upper Intake Manifold Bolt
5 - Manifold Absolute Pressure Sensor Bracket
6 - Manifold Absolute Pressure Sensor
7 - Manifold Absolute Pressure Sensor Seal
8 - Evaporative Emission Canister Purge Solenoid Valve Bolt
9 - Evaporative Emission Canister Purge Solenoid Valve
10 - Evaporative Emission Canister Purge Solenoid Valve Seal
11 - Throttle Body Stud
12 - Throttle Body Seal
13 - Throttle Body
14 - Throttle Body Bolt
15 - Throttle Body Nut
16 - Positive Crankcase Ventilation Tube
17 - Oil Filler Cap
18 - Oil Filler Cap Seal
19 - Oil Filler Tube
20 - Oil Filler Tube Seal
21 - Valve Rocker Arm Cover
22 - Valve Rocker Arm Cover Gasket
23 - Positive Crankcase Ventilation Tube
24 - Engine Coolant Filler Cap
25 - Engine Coolant Filler Tube Adapter Seal
26 - Engine Coolant Filler Tube Adapter Seal
27 - Engine Coolant Filler Tube Adapter
28 - Engine Coolant Filler Tube Adapter Bolt
29 - Engine Coolant Filler Tube Adapter Seal
30 - Engine Coolant Crossover Pipe Gasket
31 - Engine Coolant Crossover Pipe Gasket
32 - Engine Coolant Crossover Pipe
33 - Water Outlet Stud
34 - Belt Idler Pulley
35 - Belt Idler Pulley Bolt
36 - Belt Idler Pulley
37 - Belt Idler Pulley Bolt
38 - Engine Lift Front Bracket Bolt
39 - Belt Idler Pulley Bolt
40 - Belt Idler Pulley
41 - Engine Lift Front Bracket Bolt
42 - Engine Lift Front Bracket
43 - Water Outlet Bolt
44 - Ignition Coil Stud
45 - Ignition Coil
46 - Ignition Coil Nut
47 - Ignition Coil Bolt
50 - Upper Intake Manifold Gasket

Lower Intake Manifold, Cylinder Head, and Components




1 - Spark Plug Wire Harness
2 - Sequential Multiport Fuel Injection Fuel Rail
3 - Fuel Schrader Valve
4 - Fuel Pressure Service Valve Cap Seal
5 - Fuel Pressure Service Valve Cap
6 - Fuel Injection Fuel Rail Bolt
7 - Fuel Injector Wiring Harness Connector Bracket
8 - Fuel Injector Wiring Harness Connector Bracket Bolt
9 - Fuel Injector Wiring Harness
10 - Valve Push Rod
11 - Valve Push Rod
12 - Valve Rocker Arm
13 - Valve Rocker Arm Bolt
14 - Exhaust Crossover Pipe Stud
15 - Exhaust Crossover Pipe Nut
16 - Exhaust Crossover Pipe Heat Shield
17 - Exhaust Crossover Pipe Heat Shield Bolt
18 - Exhaust Crossover Pipe
19 - Valve Stem Key
19 - Valve Stem Key
20 - Valve Spring Cap
20 - Valve Spring Cap
21 - Valve Spring
21 - Valve Spring
22 - Valve Spring Damper
22 - Valve Spring Damper
23 - Valve Stem Oil Seal - Exhaust
24 - Valve Stem Oil Seal - Intake
25 - Valve Guide
26 - Valve Guide
27 - Cylinder Head Bolt
28 - Engine Coolant Temperature Sensor
29 - Engine Mount Strut and Engine Lift Bracket
30 - Engine Mount Strut and Engine Lift Bracket Bolt
31 - Spark Plug
32 - Exhaust Valve Seat
33 - Exhaust Valve
34 - Exhaust Manifold Heat Shield
35 - Exhaust Manifold Bolt
36 - Exhaust Manifold
37 - Exhaust Manifold Gasket
38 - Engine Mount Strut Bracket Bolt
39 - Engine Mount Strut Bracket Bolt
40 - Engine Mount Strut Bracket
41 - Cylinder Head Location Pin
42 - Cylinder Head Gasket
43 - Intake Valve
44 - Intake Valve Seat
45 - Cylinder Head
46 - Fuel Injector Seal
47 - Fuel Injector Retainer
48 - Fuel Injector Seal
49 - Sequential Multiport Fuel Injector
50 - Lower Intake Manifold Location Pin
51 - Lower Intake Manifold Bolt
52 - Lower Intake Manifold Bolt
53 - Lower Intake Manifold
54 - Lower Intake Manifold Gasket
55 - Lower Intake Manifold Seal
56 - Cylinder Head Gasket
57 - Cylinder Head Core Hole Plug
58 - Cylinder Head
59 - Valve Rocker Arm Cover
60 - Valve Rocker Arm Cover Bolt Grommet
61 - Valve Rocker Arm Cover Bolt
62 - Exhaust Manifold Gasket
63 - Exhaust Manifold
64 - Exhaust Manifold Heat Shield Bolt
65 - Exhaust Manifold Heat Shield
66 - Oxygen Sensor
67 - Spark Plug Wire Support
68 - Spark Plug Wire Harness

Engine Block and Components




1 - Engine Block Coolant Hole Plug
2 - Engine Block Heater
3 - Engine Block Oil Gallery Plug
4 - Camshaft Sensor Seal
5 - Camshaft Position Sensor
6 - Camshaft Position Sensor Bolt
7 - Valve Lifter
8 - Valve Lifter Guide
9 - Valve Lifter Guide Bolt
10 - Engine Block
11 - Oil Pump Drive Seal
12 - Oil Pump Drive
13 - Oil Pump Drive Clamp Bolt
14 - Piston Pin Retainer
15 - Piston Pin
16 - Piston Compression Upper Ring
17 - Piston Compression Lower Ring
18 - Piston Oil Ring Rail
19 - Piston
20 - Connecting Rod
21 - Connecting Rod Bearing
22 - Connecting Rod Bearing Cap
23 - Connecting Rod Bolt
24 - Camshaft Rear Bearing Hole Plug
25 - Engine Block Oil Gallery Plug
26 - Crankshaft Rear Oil Seal
27 - Transmission Locating Pin
28 - Knock Sensor
29 - Knock Sensor Bolt
30 - Engine Oil Cooler Fitting
31 - Engine Oil Cooler Hose Clamp
32 - Engine Oil Cooler Inlet Hose
33 - Engine Oil Cooler Hose Clamp
34 - Engine Oil Cooler Gasket
35 - Engine Oil Cooler
36 - Engine Oil Cooler Connector
37 - Heater Inlet and Outlet Pipe Nut
38 - Heater Inlet and Outlet Pipe
39 - Heater Outlet Hose Clamp
40 - Heater Outlet Front Hose
41 - Heater Outlet Front Hose
42 - Heater Outlet Hose Clamp
43 - Heater Inlet Pipe Adapter Seal
44 - Heater Inlet Pipe Bolt
45 - Heater Inlet and Outlet Pipe
46 - Heater Inlet Pipe Bolt
47 - Engine Oil Cooler Hose Clamp
48 - Engine Oil Cooler Outlet Hose
49 - Engine Oil Cooler Hose Clamp
50 - Oil Filter Adapter Stud
51 - Engine Oil Pressure Indicator Switch
52 - Engine Block Coolant Hole Plug
53 - Oil Filter Bypass Valve
54 - Oil Filter Adapter Gasket
55 - Oil Filter Adapter
56 - Oil Filter Fitting
57 - Oil Filter Gasket
58 - Oil Filter
59 - Oil Filter Adapter Bolt
60 - Air Conditioning Compressor Bracket Bolt
61 - Air Conditioning Compressor Bracket
62 - Piston Oil Nozzle Bolt
63 - Piston Oil Nozzle
64 - Engine Front Cover Gasket
65 - Engine Front Cover Location Pin
66 - Water Outlet Bolt
67 - Water Outlet Stud
68 - Water Outlet
69 - Engine Coolant Thermostat Seal
70 - Engine Coolant Thermostat
71 - Thermostat Bypass Hose
72 - Thermostat Bypass Pipe Clamp
73 - Thermostat Bypass Hose
74 - Thermostat Bypass Hose
75 - Thermostat Bypass Pipe Clamp
76 - Engine Front Cover
77 - Engine Front Cover Bolt
78 - Engine Front Cover Bolt
79 - Water Pump
80 - Water Pump Gasket
81 - Water Pump Bolt
82 - Water Pump Pulley
83 - Water Pump Pulley Bolt
84 - Crankshaft Front Oil Seal
85 - Crankshaft Balancer
86 - Crankshaft Balancer Bolt
87 - Drive Belt Tensioner Bolt
88 - Drive Belt Tensioner
89 - Camshaft Position Actuator Magnet Bolt
90 - Camshaft Position Actuator Magnet
91 - Camshaft Position Actuator Magnet Gasket
92 - Crankshaft Sprocket
93 - Timing Chain Dampener Bolt
94 - Timing Chain Dampener
95 - Crankshaft Position Sensor Stud
96 - Crankshaft Position Sensor
97 - Crankshaft Position Sensor Seal
98 - Engine Block Oil Gallery Plug
99 - Camshaft Bearing
100 - Camshaft Bearing
101 - Camshaft Bearing
102 - Camshaft
103 - Camshaft Position Actuator Solenoid Valve Filter
104 - Camshaft Thrust Plate
105 - Camshaft Thrust Plate Bolt
106 - Timing Chain
107 - Camshaft Position Actuator
108 - Camshaft Position Actuator Bolt

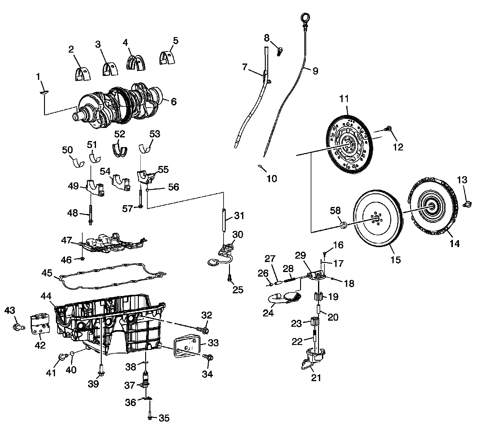
Crankshaft and Components




1 - Crankshaft Balancer Key
2 - Crankshaft Upper No. 1 Bearing
3 - Crankshaft Upper No. 2 Bearing
4 - Crankshaft Upper No. 3 Bearing
5 - Crankshaft Upper No. 4 Bearing
6 - Crankshaft
7 - Oil Level Indicator Tube
8 - Oil Level Indicator Tube Bolt
9 - Oil Level Indicator
10 - Oil Level Indicator Seal
11 - Flywheel
12 - Flywheel Bolt
13 - Clutch Pressure Plate Bolt
14 - Clutch Pressure Plate
15 - Flywheel
16 - Oil Pump Cover Bolt
17 - Oil Pressure Relief Valve Spring Seat Pin
18 - Oil Pressure Relief Valve Bore Plug
19 - Oil Pump Driven Gear
20 - Oil Pump Driven Gear Shaft
21 - Oil Pump Housing
22 - Oil Pump Drive Shaft
23 - Oil Pump Drive Gear
24 - Oil Pump Screen
25 - Oil Pump Bolt
26 - Oil Pressure Relief Valve Bore Plug
27 - Oil Pressure Relief Valve
28 - Oil Pressure Relief Valve Spring
29 - Oil Pump Cover
30 - Oil Pump
31 - Oil Pump Drive Shaft
32 - Oil Pan Bolt
33 - Oil Pan Support Bracket
34 - Oil Pan Support Bracket Bolt
35 - Engine Oil Level Indicator Switch Bolt
36 - Engine Oil Level Indicator Switch Clip
37 - Engine Oil Level Indicator Switch
38 - Engine Oil Level Indicator Switch Seal
39 - Oil Pan Bolt
40 - Oil Pan Drain Plug Seal
41 - Oil Pan Drain Plug
42 - Oil Pan Support Bracket
43 - Oil Pan Support Bracket Bolt
44 - Oil Pan
45 - Oil Pan Gasket
46 - Crankshaft Oil Deflector Nut
47 - Crankshaft Oil Deflector
48 - Crankshaft Bearing Cap Stud
49 - Crankshaft No. 1 Bearing Cap
50 - Crankshaft Lower No. 1 Bearing
51 - Crankshaft Lower No. 2 Bearing
52 - Crankshaft Lower No. 3 Bearing
53 - Crankshaft Lower No. 4 Bearing
54 - Crankshaft Bearing Cap
55 - Crankshaft No. 4 Bearing Cap
56 - Oil Pump Location Pin
57 - Crankshaft Bearing Cap Bolt
58 - Clutch Pilot Bearing