lemon-mirror:
Home >> Chevrolet >> 2010 >> Express 2500 V8-4.8L >> Repair and Diagnosis >> Powertrain Management >> Computers and Control Systems >> Transmission Position Sensor/Switch >> Locations

Transmission Position Sensor/Switch: Locations




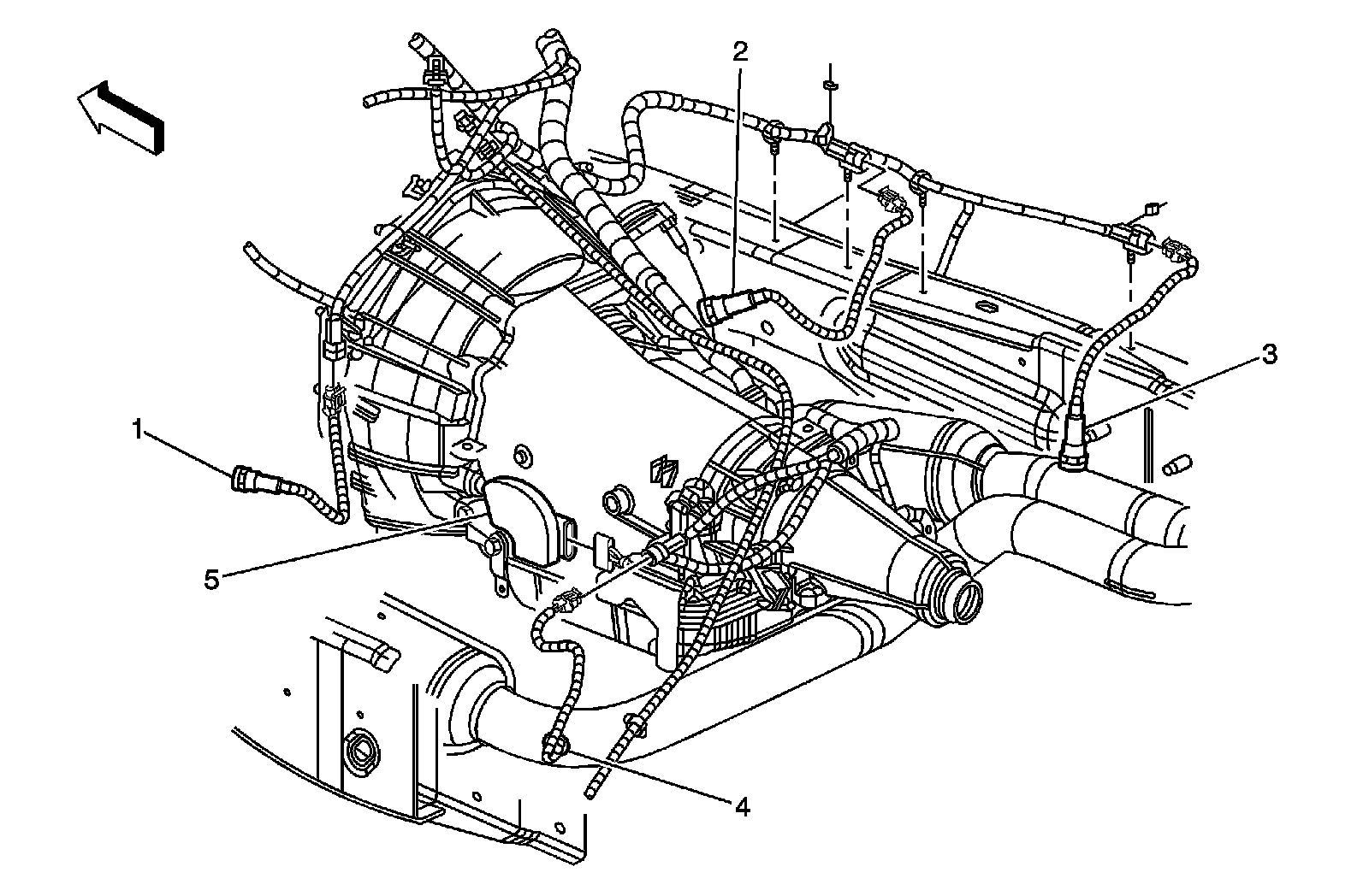
Powertrain Component Views

Rear of the Engine (LU3 or LMF)




1 - Heated Oxygen Sensor (HO2S) - Bank 1 Sensor 1
2 - Heated Oxygen Sensor (HO2S) - Bank 2 Sensor 1
3 - Heated Oxygen Sensor (HO2S) - Bank 2 Sensor 2
4 - Heated Oxygen Sensor (HO2S) - Bank 1 Sensor 2
5 - Park/Neutral Position (PNP) Switch