lemon-mirror:
Home >> Chevrolet >> 2010 >> Express 2500 V8-4.8L >> Repair and Diagnosis >> Powertrain Management >> Computers and Control Systems >> Engine Control Module >> Locations >> Powertrain Component Views

Powertrain Component Views




Powertrain Component Views

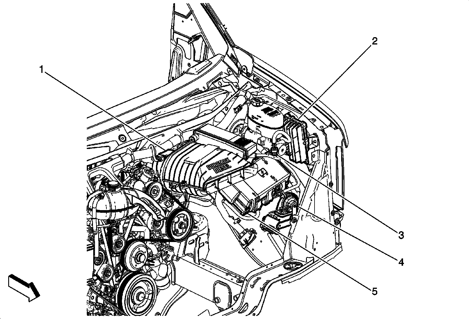
Engine Components (LGH)




1 - Mass Air Flow (MAF) Sensor/Intake Air Temperature (IAT) Sensor
2 - Engine Control Module (ECM)
3 - A/C Refrigerant Pressure Sensor
4 - Horn Assembly
5 - Fuse Block - Underhood