lemon-mirror:
Home >> Chevrolet >> 2010 >> Express 2500 V8-4.8L >> Repair and Diagnosis >> Locations >> Component Locations >> Powertrain Component Views

Powertrain Component Views




Powertrain Component Views

Front of the Engine (LU3)




1 - Generator
2 - A/C Compressor Clutch Connector (C60)
3 - Crankshaft Position (CKP) Sensor

Right Side of the Engine (LU3)




1 - Central Sequential Fuel Injection (Central SFI)
2 - Generator Connector
3 - Ignition Control Module (ICM)
4 - Evaporative Emission (EVAP) Canister Purge Solenoid Valve
5 - Manifold Absolute Pressure (MAP) Sensor

Left Rear of the Engine (LU3)




1 - Engine Coolant Temperature (ECT) Sensor

Rear of the Engine (LU3 or LMF)




1 - Heated Oxygen Sensor (HO2S) - Bank 1 Sensor 1
2 - Heated Oxygen Sensor (HO2S) - Bank 2 Sensor 1
3 - Heated Oxygen Sensor (HO2S) - Bank 2 Sensor 2
4 - Heated Oxygen Sensor (HO2S) - Bank 1 Sensor 2
5 - Park/Neutral Position (PNP) Switch

Oxygen Sensors (L20 or L96)




1 - X128 (Cutaway)
2 - Heated Oxygen Sensor (HO2S) - Bank 2 Sensor 1 Connector
3 - Heated Oxygen Sensor (HO2S) - Bank 1 Sensor 2 Connector
4 - Heated Oxygen Sensor (HO2S) - Bank 2 Sensor 2 Connector
5 - Heated Oxygen Sensor (HO2S) - Bank 1 Sensor 1 Connector

Lower Right of Engine (LU3)




1 - Knock Sensor (KS) 2

Engine Components (LGH)




1 - Mass Air Flow (MAF) Sensor/Intake Air Temperature (IAT) Sensor
2 - Engine Control Module (ECM)
3 - A/C Refrigerant Pressure Sensor
4 - Horn Assembly
5 - Fuse Block - Underhood

Front of the Engine Components (L20, LMF or L96)




1 - Throttle Body
2 - Manifold Absolute Pressure (MAP) Sensor
3 - Evaporative Emission (EVAP) Canister Purge Solenoid Valve
4 - Knock Sensor (KS) 1
5 - Engine Coolant Temperature (ECT) Sensor
6 - Camshaft Position (CMP) Sensor
7 - Generator

Left Front Side of the Engine Components (L20, LMF or L96)




1 - Camshaft Position (CMP) Actuator Solenoid Valve (L96)
2 - Camshaft Position (CMP) Sensor

Left Front of Engine Components (LGH)




1 - Intake Air Valve
2 - Intake Air Heater (IAH)
3 - A/C Compressor Clutch
4 - Exhaust Gas Recirculation (EGR) Valve
5 - Turbocharger Vane Position Sensor
6 - Charge Air Cooler Inlet Temperature Sensor
7 - Exhaust Gas Recirculation (EGR) Temperature Sensor 1
8 - Fuel Filter Pressure Switch
9 - Nitrogen Oxides Sensor 1
10 - Fuel Temperature Sensor 2
11 - Fuel Rail Pressure (FRP) Sensor
12 - Glow Plug Control Module (GPCM)
13 - Fuel Injector 8
14 - Fuel Injector 6
15 - Glow Plug 8
16 - Glow Plug 6
17 - Fuel Injector 4
18 - Glow Plug 4
19 - Engine Oil Pressure (EOP) Sensor
20 - Engine Oil Level (EOL) Switch
21 - Glow Plug 2
22 - Fuel Injector 2
23 - Generator

Right Side of the Engine Components (L20, LMF or L96)




1 - Ignition Coil 8
2 - Ignition Coil 6
3 - Ignition Coil 4
4 - Manifold Absolute Pressure (MAP) Sensor
5 - Throttle Body
6 - Ignition Coil 2
7 - Knock Sensor (KS) 2
8 - Crankshaft Position (CKP) Sensor
9 - Starter
10 - Engine Oil Pressure (EOP) Sensor

Right Side of the Engine (L20, LMF or L96)




1 - Crankshaft Position (CKP) Sensor Connector
2 - A/C Compressor Clutch Connector (C60)
3 - Starter Motor

Right Front of Engine Components (LGH)




1 - Fuel Injector 7
2 - Fuel Injector 5
3 - Exhaust Aftertreatment Fuel Injector
4 - Exhaust Temperature Sensor 1
5 - Fuel Injector 1
6 - Turbocharger Vane Position Control Solenoid Valve
7 - Exhaust Gas Recirculation (EGR) Temperature Sensor 2
8 - Generator
9 - Manifold Absolute Pressure (MAP) Sensor
10 - Camshaft Position (CMP) Sensor
11 - Crankshaft Position (CKP) Sensor
12 - Engine Block Heater
13 - Glow Plug 1
14 - Glow Plug 3
15 - Starter Motor
16 - Glow Plug 5
17 - Glow Plug 7
18 - Fuel Injector 3

Upper Left Side of the Engine (L20, LMF or L96)




1 - Fuel Injector 1 Connector
2 - Fuel Injector 3 Connector
3 - Fuel Injector 5 Connector
4 - J101
5 - J102
6 - Fuel Injector 7 Connector
7 - Ignition Coil 7 Connector
8 - Ignition Coil 5 Connector
9 - X126
10 - Ignition Coil 3 Connector
11 - Engine Coolant Temperature (ECT) Sensor Connector
12 - Ignition Coil 1 Connector

Upper Right Side of the Engine (L20, LMF or L96)




1 - Fuel Injector 8 Connector
2 - Fuel Injector 6 Connector
3 - Fuel Injector 4 Connector
4 - Fuel Injector 2 Connector
5 - Ignition Coil 2 Connector
6 - Ignition Coil 4 Connector
7 - Ignition Coil 6 Connector
8 - X127
9 - Ignition Coil 8 Connector

Top of the Engine (L20, LMF or L96)




1 - Manifold Absolute Pressure (MAP) Sensor Connector
2 - J102
3 - J101
4 - Evaporative Emission (EVAP) Canister Purge Solenoid Valve
5 - Throttle Body

Top of the Engine Components (LGH)




1 - Fuel Pressure Regulator 1
2 - Engine Coolant Temperature (ECT) Sensor
3 - Fuel Temperature Sensor 1
4 - Fuel Pressure Regulator 2

Lower Right of Engine (L20, LMF or L96)




1 - Knock Sensor (KS) 2

Right Side of the Engine (LMM)




1 - Fuel Injector 7
2 - X112
3 - Fuel Injector 5
4 - Fuel Injector 3
5 - Exhaust Gas Recirculation (EGR) Valve
6 - Fuel Injector 1
7 - Generator
8 - Intake Air Valve
9 - X108
10 - Camshaft Position (CMP) Sensor
11 - Crankshaft Position (CKP) Sensor
12 - G108
13 - G104
14 - Starter Motor
15 - Glow Plug 1
16 - Glow Plug 3
17 - Glow Plug 5
18 - Glow Plug 7

Left Side of the Engine (LMM)




1 - X110
2 - X111
3 - Intake Air Temperature (IAT) Sensor
4 - Fuel Injector 4
5 - Glow Plug Control Module (GPCM)
6 - Fuel Injector 6
7 - Fuel Injector 8
8 - Glow Plug 8
9 - Glow Plug 6
10 - Engine Oil Level (EOL) Switch
11 - Engine Oil Pressure (EOP) Sensor
12 - G107
13 - G102
14 - G103
15 - Glow Plug 4
16 - Glow Plug 2
17 - Fuel Injector 2
18 - X101
19 - A/C Compressor

Top of Engine (LMM)




1 - X111
2 - Engine Coolant Temperature (ECT) Sensor
3 - Fuel Pressure Regulator

Upper Engine (LMM or LGH)




1 - Mass Air Flow (MAF)/Intake Air Temperature (IAT) Sensor
2 - Throttle Body
3 - Intake Air Valve
4 - Intake Air Heater (IAH)
5 - Manifold Absolute Pressure (MAP) Sensor
6 - Turbocharger
7 - Turbocharger Vane Position Control Solenoid Valve
8 - Turbocharger Vane Position Sensor
9 - Fuel Rail Temperature (FRT) Sensor
10 - X111
11 - X110

Top Rear of Engine (LMM or LGH)




1 - Fuel Rail Pressure (FRP) Sensor
2 - X112

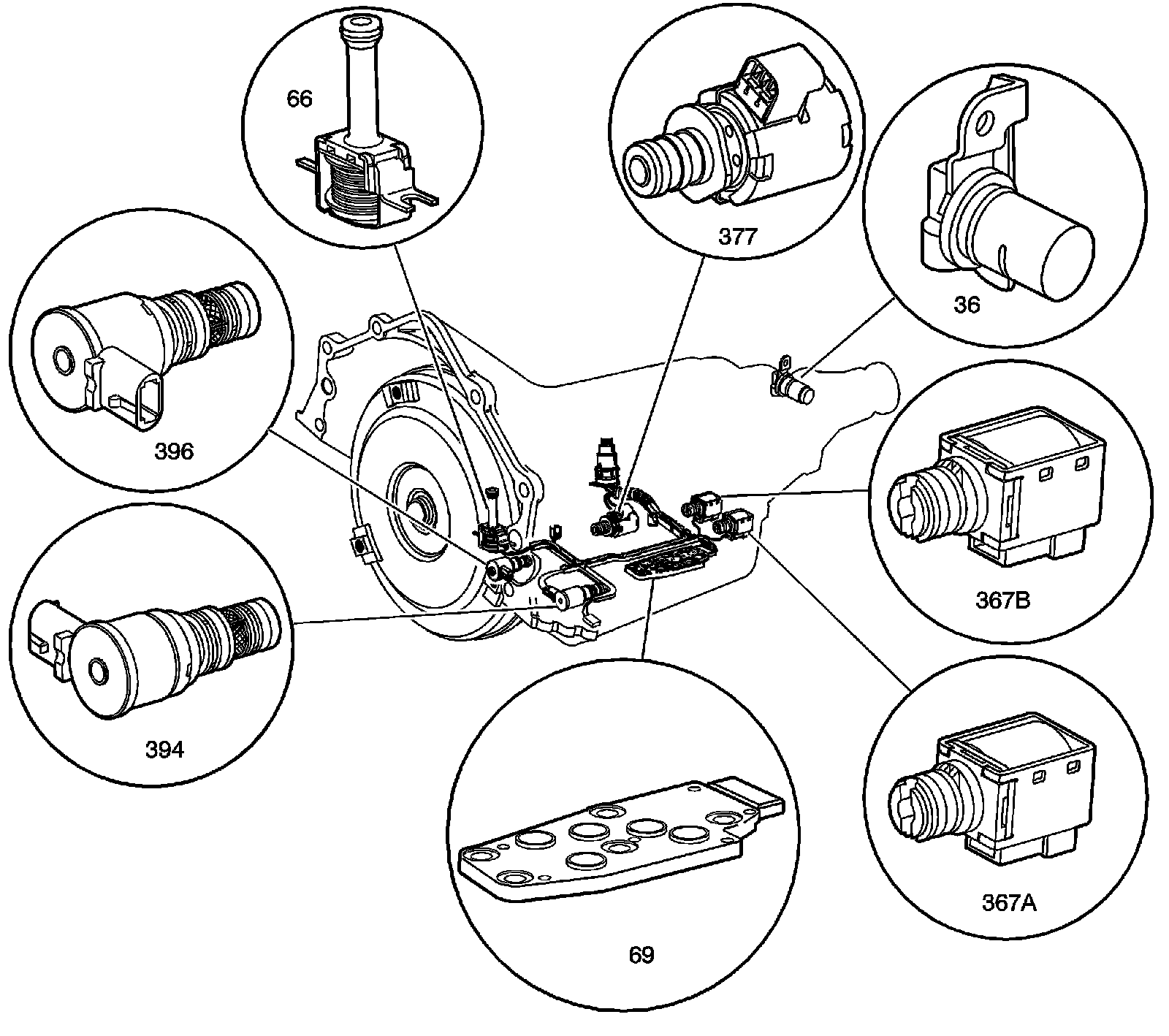
Automatic Transmission Internal Electronic Components (M30)




36 - Automatic Transmission Output Shaft Speed (OSS) Sensor
66 - Torque Converter Clutch (TCC) Solenoid Valve
69 - Automatic Transmission Fluid Pressure (TFP) Manual Valve Position Switch
367a - 1-2 Shift Solenoid (SS) Valve
367b - 2-3 Shift Solenoid (SS) Valve
377 - Pressure Control (PC) Solenoid Valve
394 - 3-2 Shift Solenoid (SS) Valve
396 - Torque Converter Clutch (TCC) Pulse Width Modulation (PWM) Solenoid Valve

Automatic Transmission Internal Electronic Components (MYD)




1 - Control Solenoid Valve Assembly
2 - Automatic Transmission Input and Output Speed Sensors Assembly
3 - Automatic Transmission Internal Mode Switch (IMS)