lemon-mirror:
Home >> Chevrolet >> 2010 >> Camaro V8-6.2L >> Repair and Diagnosis >> Locations >> Component Locations >> Instrument Panel/Center Console Component Views

Instrument Panel/Center Console Component Views




Instrument Panel/Center Console Component Views

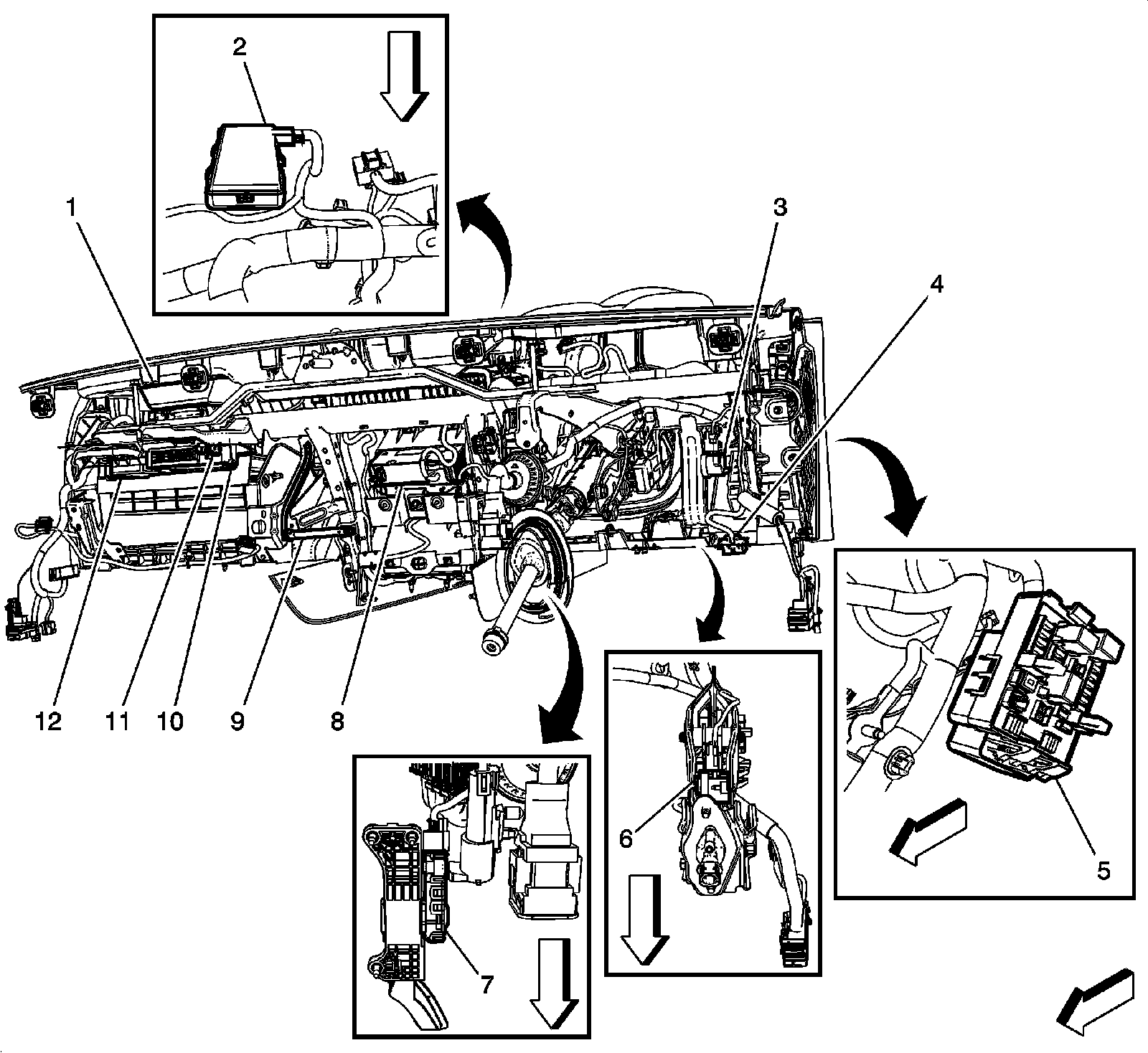
Behind the Instrument Panel Components




1 - F105 Passenger Instrument Panel Air Bag
2 - K77 Remote Control Door Lock Receiver (W/O BTV)
3 - B22 Brake Pedal Position Sensor
4 - X84 Data Link Connector
5 - X51A Fuse Block - Instrument Panel
6 - B25B Clutch Pedal Position Sensor (MV5/M10)
7 - B107 Accelerator Pedal Position Sensor
8 - A11 Radio
9 - B39 A/C Evaporator Temperature Sensor
10 - K73 Telematics Communication Interface Control Module (UE1)
11 - T4S Wireless Communication Antenna - Bluetooth (UPF)
12 - C3 Telematics Communication Interface Control Module Battery (UE1)

Front of Passenger Compartment HVAC Module Components




1 - M37 Mode Door Actuator
2 - K8 Blower Motor Control Module
3 - M8 Blower Motor
4 - M46 Air Recirculation Door Motor
5 - K33 HVAC Control Module
6 - M6 Air Temperature Door Actuator

Instrument Panel and Center Console Components




1 - P16 Instrument Cluster
2 - B10 Ambient Light Sensor
3 - P19A Speaker - Center Instrument Panel (UQA)
4 - A20 Radio/HVAC Controls
5 - B80 Park Brake Switch
6 - X80H Accessory Power Receptacle - Center Console
7 - S75 Traction Control Switch
8 - P26 Auxiliary Gauge Module (UMQ)
9 - X80D Accessory Power Receptacle - Center Console Compartment
10 - X83 Auxiliary Audio Input (USR)
11 - S2R Automatic Transmission Manual Shift Switch - Right (MYB/MYC)
12 - F107 Steering Wheel Air Bag
13 - S2L Automatic Transmission Manual Shift Switch - Left (MYB/MYC)
14 - S30 Headlamp Switch

Left Center of Instrument Panel and Steering Column Components




1 - K9 Body Control Module
2 - S78 Turn Signal/Multifunction Switch
3 - X85 Steering Wheel Air Bag Coil
4 - S82 Windshield Wiper/Washer Switch
5 - B99 Steering Wheel Angle Sensor
6 - M93 Ignition Cylinder Lock Control Solenoid Actuator (MYB/MYC)
7 - B101 Immobilizer Antenna
8 - S39 Ignition Switch

Steering Wheel Components




1 - S70L Steering Wheel Controls Switch - Left
2 - S70R Steering Wheel Controls Switch - Right (NZL)
3 - S33 Horn Switch

Under the Center Console Automatic - Transmission Shift Lever Components (MYB or MYC)




1 - X301
2 - P2 Transmission Shift Lever Position Indicator
3 - B81B Park Position Switch
4 - M7 Transmission Shift Lock Control Solenoid Actuator