lemon-mirror:
Home >> Chevrolet >> 2009 >> Uplander (CANADA) V6-3.9L >> Repair and Diagnosis >> Powertrain Management >> Computers and Control Systems >> Air Flow Meter/Sensor >> Service and Repair

Air Flow Meter/Sensor: Service and Repair




Mass Airflow Sensor/Intake Air Temperature Sensor Replacement

Removal Procedure




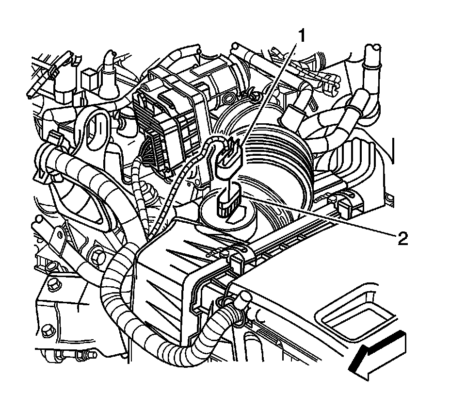
1. Disconnect the engine harness electrical connector (1) from the mass air flow (MAF)/intake air temperature (IAT) sensor.
2. Remove the air cleaner outlet duct. Refer to Air Cleaner Outlet Duct Replacement Air Cleaner Outlet Duct Replacement.
3. Remove the MAF/IAT sensor (2) bolts.
4. Remove the MAF/IAT sensor (2) from the air filter housing.

Installation Procedure




1. Install the MAF/IAT sensor (2) to the air filter housing.

Caution: Refer to Fastener Caution Fastener Caution.

2. Install the MAF/IAT sensor (2) bolts and tighten to 10 Nm (89 lb in).
3. Install the air cleaner outlet duct. Refer to Air Cleaner Outlet Duct Replacement Air Cleaner Outlet Duct Replacement.
4. Connect the engine harness electrical connector (1) to the MAF/IAT sensor.
5. Start and idle the engine.
6. Inspect the air intake duct for leaks.