lemon-mirror:
Home >> Chevrolet >> 2009 >> Uplander (CANADA) V6-3.9L >> Repair and Diagnosis >> Body and Frame >> Seats >> Memory Positioning Systems >> Memory Positioning Module >> Service and Repair

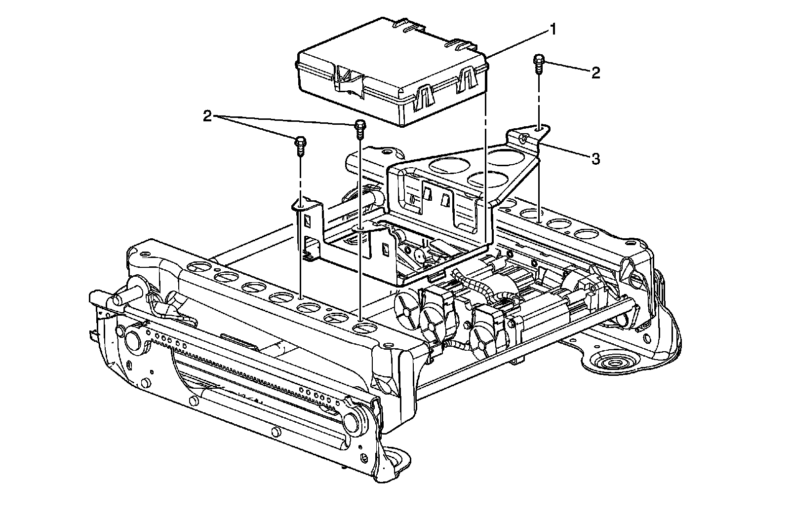
Memory Positioning Module: Service and Repair




Memory Seat Control Module Replacement