lemon-mirror:
Home >> Chevrolet >> 2009 >> Malibu L4-2.4L >> Repair and Diagnosis >> Powertrain Management >> Computers and Control Systems >> Fuel Level Sensor >> Service and Repair >> Fuel Level Sensor Replacement

Fuel Level Sensor Replacement




Fuel Level Sensor Replacement

Removal Procedure




1. Remove the fuel pump module assembly. Refer to Fuel Tank Fuel Pump Module Replacement (Service and Repair).
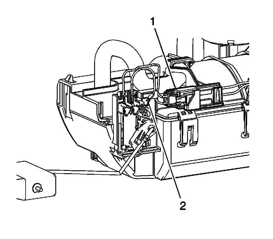
2. Disconnect the fuel level sensor electrical connector (1).
3. Disengage the locking tab (2) on the fuel level sensor by pushing inward.




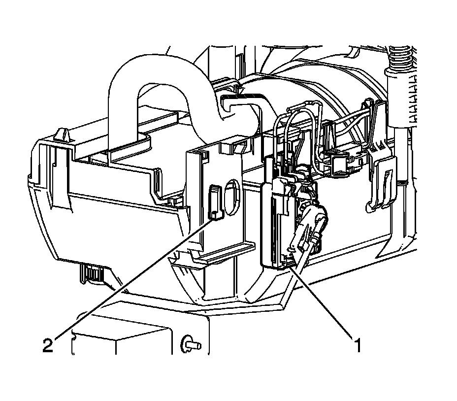
4. Remove the fuel level sensor (1) from the alignment feature (2).

Installation Procedure




1. Install the fuel level sensor (1) to the alignment feature (2).




2. Allow the locking tab (2) to lock into place.
3. Connect the fuel level sensor electrical connector (1).
4. Install the fuel pump module assembly. Refer to Fuel Tank Fuel Pump Module Replacement (Service and Repair).