lemon-mirror:
Home >> Chevrolet >> 2009 >> Impala V6-3.9L >> Repair and Diagnosis >> Diagrams >> Components >> Powertrain Component Views

Powertrain Component Views




Powertrain Component Views

Behind Radiator




1 - Cooling Fan - Right
2 - Cooling Fan - Left

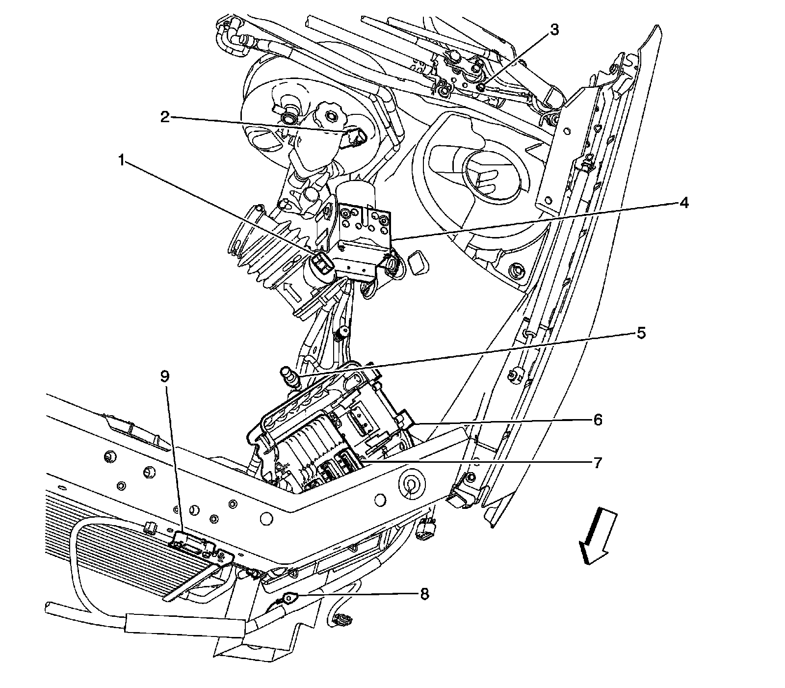
Left Front of the Engine Compartment




1 - Mass Air Flow (MAF) Sensor/Intake Air Temperature (IAT) Sensor
2 - Brake Booster Vacuum Sensor (LZG/LS4)
3 - Windshield Wiper Motor
4 - Electronic Brake Control Module (EBCM)
5 - A/C Refrigerant Pressure Sensor
6 - Transmission Control Module (TCM)
7 - Engine Control Module (ECM)
8 - G101
9 - Inflatable Restraint Front End Sensor - Left

Lower Front of the Engine (LZE/LZ4/LZG)




1 - Exhaust Manifold
2 - Starter
3 - Cable Pro Fuse (6J1)
4 - A/C Compressor Clutch

Right Front of the Engine Compartment




1 - Fuse Block - Underhood
2 - Generator
3 - Brake Fluid Level Switch
4 - Battery
5 - Inflatable Restraint Front End Sensor - Right
6 - G100
7 - Horn Assembly
8 - Windshield Washer Fluid Container
9 - Windshield Washer Fluid Level Switch
10 - Windshield Washer Fluid Pump
11 - Battery Current Sensor
12 - G102

Lower Right Front of Engine




1 - A/C Compressor Clutch
2 - A/C Compressor Clutch Connector
3 - A/C Compressor

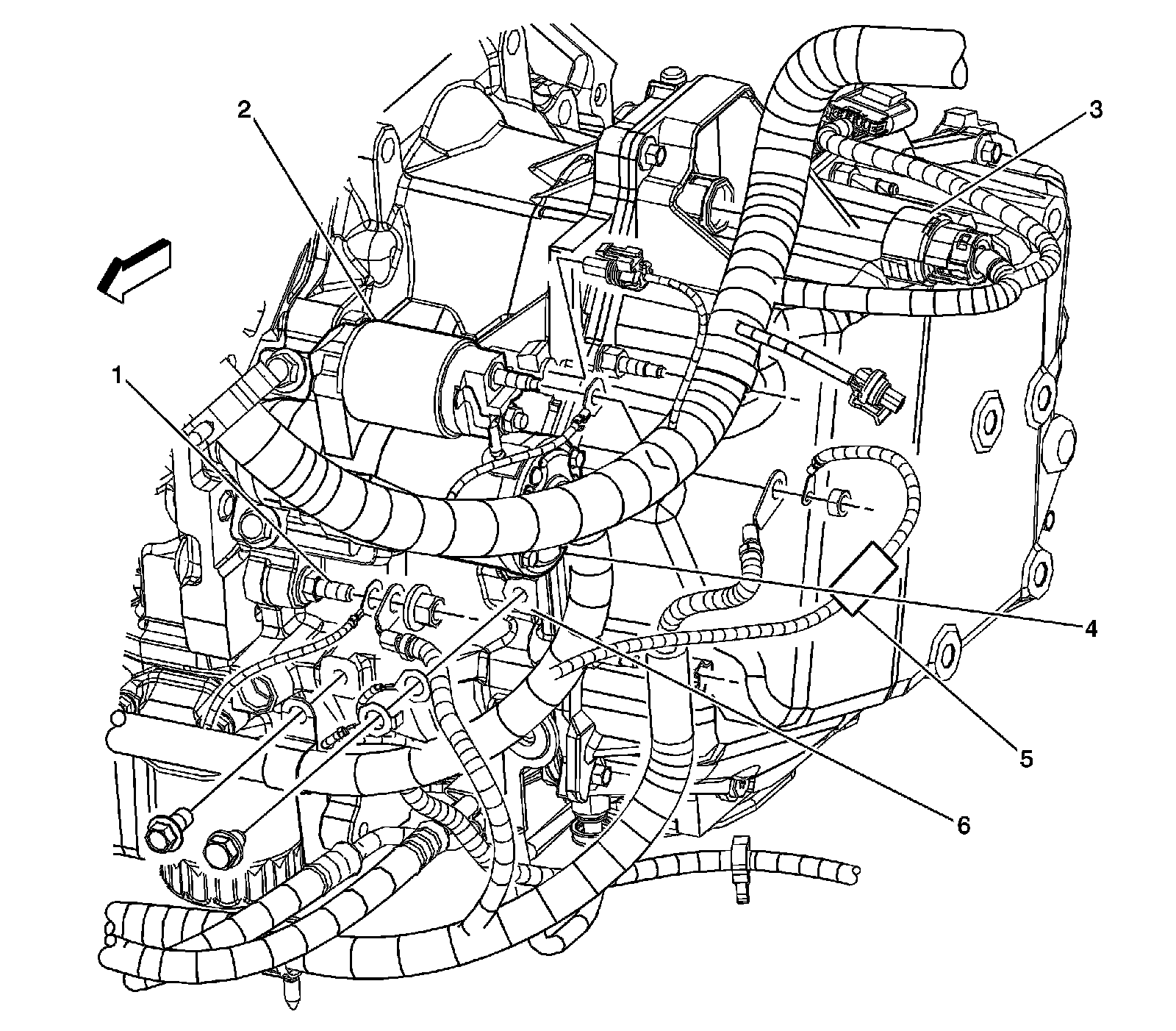
Secondary Air Injection (AIR) Components (LZ4/NU3)




1 - Engine - LZ4
2 - Secondary Air Injection (AIR) Pump Solenoid
3 - Throttle Body
4 - Secondary Air Injection (AIR) Solenoid Relay
5 - Secondary Air Injection (AIR) Pump Relay
6 - Secondary Air Injection (AIR) Pump

Front of the Engine (LZE/LZ4/LZG)




1 - Camshaft Position (CMP) Sensor
2 - Knock Sensor (KS) 2
3 - Engine Oil Pressure (EOP) Sensor
4 - Camshaft Position (CMP) Actuator Solenoid Valve

Front of Engine (LS4)




1 - Engine Coolant Temperature (ECT) Sensor
2 - Ignition Coil 1
3 - Ignition Coil 3
4 - Ignition Coil 5
5 - Ignition Coil 7
6 - Manifold Absolute Pressure (MAP) Sensor
7 - Throttle Body
8 - Engine Coolant Heater
9 - Knock Sensor (KS) 1
10 - Engine Oil Level Switch
11 - Camshaft Position (CMP) Sensor

Top of the Engine (LZE/LZ4/LZG)




1 - Manifold Absolute Pressure (MAP) Sensor
2 - Throttle Body
3 - Intake Manifold
4 - Camshaft Position (CMP) Sensor
5 - Heated Oxygen Sensor (HO2S) 1
6 - Ignition Control Module (ICM)

Beneath the Upper Intake (LZE/LZ4/LZG)




1 - Fuel Injector 5
2 - Engine Coolant Temperature (ECT) Sensor
3 - Fuel Injector 6
4 - Fuel Injector 4
5 - Fuel Injector 2
6 - Fuel Injector 1
7 - Fuel Injector 3

Top of Engine (LS4)




1 - Ignition Coil 8
2 - Fuel Injector 8
3 - Evaporative Emission (EVAP) Canister Purge Solenoid Valve
4 - Manifold Absolute Pressure (MAP) Sensor
5 - Throttle Body
6 - Engine Oil Pressure (EOP) Sensor
7 - Fuel Injector 7
8 - Ignition Coil 7
9 - Fuel Injector 5
10 - Ignition Coil 5
11 - Fuel Injector 3
12 - Ignition Coil 3
13 - Fuel Injector 1
14 - Ignition Coil 1
15 - Fuel Injector 2
16 - Ignition Coil 2
17 - Fuel Injector 4
18 - Ignition Coil 4
19 - Fuel Injector 6
20 - Ignition Coil 6

Near the Air Cleaner Duct (LZE/LZ4/LZG)




1 - Evaporative Emission (EVAP) Canister Purge Solenoid Valve
2 - Mass Air Flow (MAF) Sensor/Intake Air Temperature (IAT) Sensor
3 - Air Cleaner Housing

Left Top Side of Engine




1 - Throttle Body
2 - Mass Air Flow (MAF) Sensor/Intake Air Temperature (IAT) Sensor
3 - Mass Air Flow (MAF) Sensor/Intake Air Temperature (IAT) Sensor Connector

Transaxle




1 - Pressure Control (PC) Solenoid Valve
2 - 1-2 Shift Solenoid (SS) Valve
3 - Automatic Transmission Input Shaft Speed (ISS) Sensor
4 - 2-3 Shift Solenoid (SS) Valve
5 - Automatic Transmission Internal Mode Switch (IMS)
6 - Vehicle Speed Sensor (VSS)
7 - Automatic Transmission Fluid Pressure (TFP) Manual Valve Position Switch
8 - Automatic Transmission Fluid Temperature (TFT)Sensor
9 - Torque Converter Clutch (TCC) Solenoid Valve

Front of the Engine (LS4)




1 - G111
2 - Starter Solenoid
3 - X100
4 - Starter
5 - Cable Pro fuse
6 - G113

Rear of the Engine (LZE/LZ4/LZG)




1 - Throttle Body
2 - Ignition Control Module (ICM)
3 - Heated Oxygen Sensor (HO2S) 1
4 - Engine Coolant Heater
5 - Engine Oil Level Switch
6 - Crankshaft Position (CKP) Sensor
7 - Knock Sensor (KS) 1

Rear of Engine (LS4)




1 - Ignition Coil 7
2 - Throttle Body
3 - Ignition Coil 8
4 - Ignition Coil 6
5 - Ignition Coil 4
6 - Ignition Coil 2
7 - Heated Oxygen Sensor (HO2S) 1
8 - Knock Sensor (KS) 2
9 - Crankshaft Position (CKP) Sensor
10 - Engine Oil Level Switch
11 - Valve Lifter Oil Manifold (VLOM) Assembly

Underbody




1 - Heated Oxygen Sensor (HO2S) 2

Fuel Tank Components




1 - Fuel Tank
2 - Fuel Pump and Sender Assembly
3 - Fuel Tank Pressure (FTP) Sensor
4 - Evaporative Emission (EVAP) Canister Vent Solenoid Valve

Fuel Pump and Sender Assembly




1 - Fuel Line Quick Connector
2 - Fuel Pump
3 - Base Plate
4 - Fuel Strainer
5 - Fuel Level Sensor
6 - Springs
7 - Fuel Tank Pressure (FTP) Sensor