lemon-mirror:
Home >> Chevrolet >> 2009 >> HHR L4-2.2L >> Repair and Diagnosis >> Powertrain Management >> Ignition System >> Knock Sensor >> Service and Repair

Knock Sensor: Service and Repair




Knock Sensor Replacement

Removal Procedure




1. Raise and suitably support the vehicle. Refer to Lifting and Jacking the Vehicle (Service and Repair).
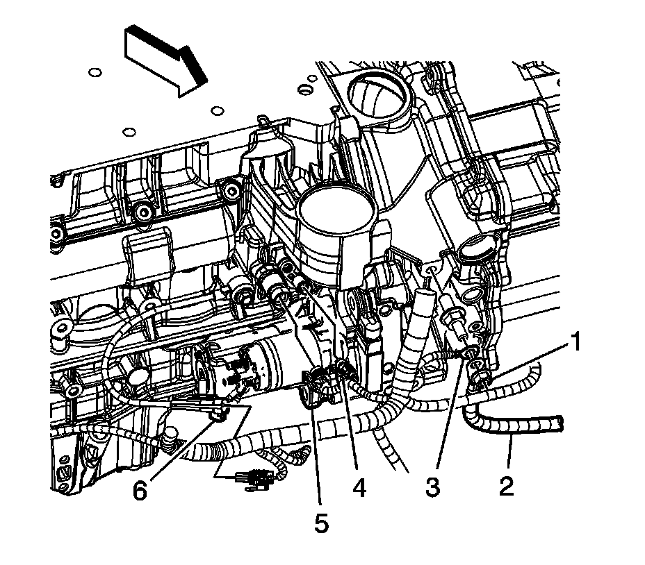
2. Disconnect the knock sensor (KS) electrical connector (6).




3. Remove the KS bolt.
4. Remove the KS.

Installation Procedure

Note: Rotate the pigtail 90 degrees from vertical before securing the fastener.




1. Install the KS.
Caution: Refer to Fastener Caution (Fastener Caution).

2. Install the KS bolt.

Tighten the bolt to 25 Nm (18 lb ft).




3. Connect the KS electrical connector (6).
4. Lower the vehicle.