lemon-mirror:
Home >> Chevrolet >> 2009 >> HHR L4-2.2L >> Repair and Diagnosis >> Diagrams >> Exploded Views >> Automatic Transmission/Transaxle >> Input Carrier Assembly

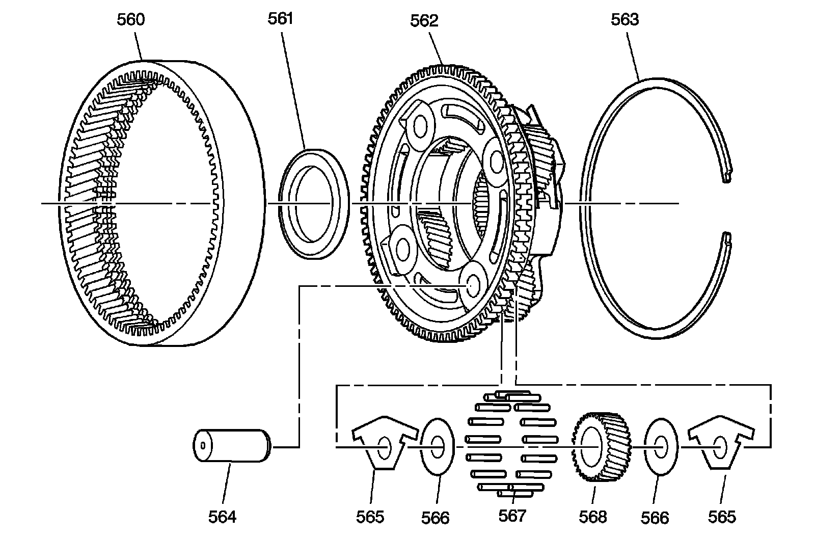
Input Carrier Assembly




Disassembled Views

Input Carrier Assembly




560 - Internal Gear (Input and Reaction)
561 - Thrust Bearing
562 - Input Carrier
563 - Snap Ring (Input Carrier to Internal Gear)
564 - Planetary Pinion Gear Pin
565 - Pinion Thrust Input Washer
565 - Pinion Thrust Input Washer
566 - Pinion Thrust Inner Washer
566 - Pinion Thrust Inner Washer
567 - Roller Needle Bearing
568 - Input Planetary Pinion Gear