lemon-mirror:
Home >> Chevrolet >> 2009 >> Express 2500 V8-4.8L >> Repair and Diagnosis >> Powertrain Management >> Computers and Control Systems >> Knock Sensor >> Service and Repair >> Knock Sensor 1 Replacement

Knock Sensor 1 Replacement




Knock Sensor 1 Replacement

Removal Procedure




1. Lift and support the vehicle. Refer to Lifting and Jacking the Vehicle (Service and Repair).
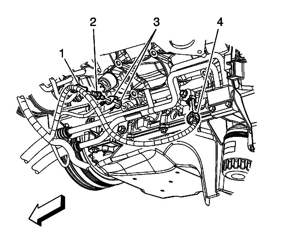
2. Disconnect the engine wiring harness electrical connector (4) from knock sensor.




3. Remove the knock sensor bolt (739) and knock sensor (718).

Installation Procedure





Caution: Refer to Fastener Caution (Fastener Caution).

1. Position the knock sensor (718) to the engine block and install the knock sensor bolt (739). Tighten the bolt to 25 Nm (18 lb ft)




2. Connect the engine wiring harness electrical connector (4) to knock sensor.