lemon-mirror:
Home >> Chevrolet >> 2009 >> Express 2500 V8-4.8L >> Repair and Diagnosis >> Powertrain Management >> Computers and Control Systems >> Crankshaft Position Sensor >> Service and Repair

Crankshaft Position Sensor: Service and Repair




Crankshaft Position Sensor Replacement

Removal Procedure

Warning

Unless directed otherwise, the ignition and start switch must be in the OFF or LOCK position, and all electrical loads must be OFF before servicing any electrical component. Disconnect the negative battery cable to prevent an electrical spark should a tool or equipment come in contact with an exposed electrical terminal. Failure to follow these precautions may result in personal injury and/or damage to the vehicle or its components.

Note: Perform the Crankshaft Position System Variation Learn (Service and Repair) when the CKP sensor is removed or replaced.

Access To CKP Sensor:




1. Disconnect the negative battery cable.
2. Raise the vehicle. Refer to Lifting and Jacking the Vehicle (Service and Repair).
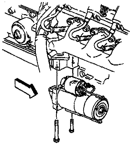
3. Remove the starter. Refer to Starter Replacement (V6) (Service and Repair)Starter Replacement (4.8L/5.3L/6.0L) (Service and Repair)Starter Replacement (6.6L) (Service and Repair).




4. Disconnect the crankshaft position (CKP) sensor electrical connector.




5. Clean the area around the CKP sensor before removal in order to avoid debris from entering the engine.
6. Remove the CKP sensor retaining fastener.
7. Remove the CKP sensor.

Installation Procedure

1. Install the CKP sensor.





Caution: Refer to Fastener Caution (Fastener Caution).

2. Install the CKP sensor retaining fastener and tighten to 25 Nm (18 lb ft).




3. Connect the CKP sensor electrical connector.

Access To CKP Sensor:




4. Install the starter. Refer to Starter Replacement (V6) (Service and Repair)Starter Replacement (4.8L/5.3L/6.0L) (Service and Repair)Starter Replacement (6.6L) (Service and Repair).
5. Lower the vehicle.
6. Connect the negative battery cable.
7. Perform the CKP system variation learn procedure. Refer to Crankshaft Position System Variation Learn (Service and Repair).