lemon-mirror:
Home >> Chevrolet >> 2009 >> Corvette V8-6.2L >> Repair and Diagnosis >> Powertrain Management >> Computers and Control Systems >> Oil Pressure Sensor >> Service and Repair

Oil Pressure Sensor: Service and Repair




Engine Oil Pressure Sensor and/or Switch Replacement (without LS9) (without 6.2L SC)

Special Tools

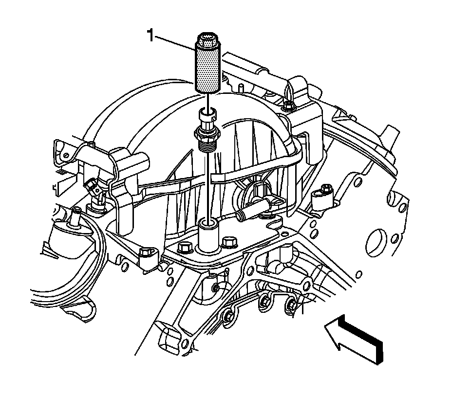
J 41712 Oil Pressure Sensor Socket

Removal Procedure




1. Remove the left engine sight cover. Refer to Upper Intake Manifold Sight Shield Replacement (LS9) (Service and Repair)Upper Intake Manifold Sight Shield Replacement (w/o LS9) (Service and Repair).
2. Clean area around the oil sensor/switch before removing it.
3. Remove the vacuum hose for the power brake booster.




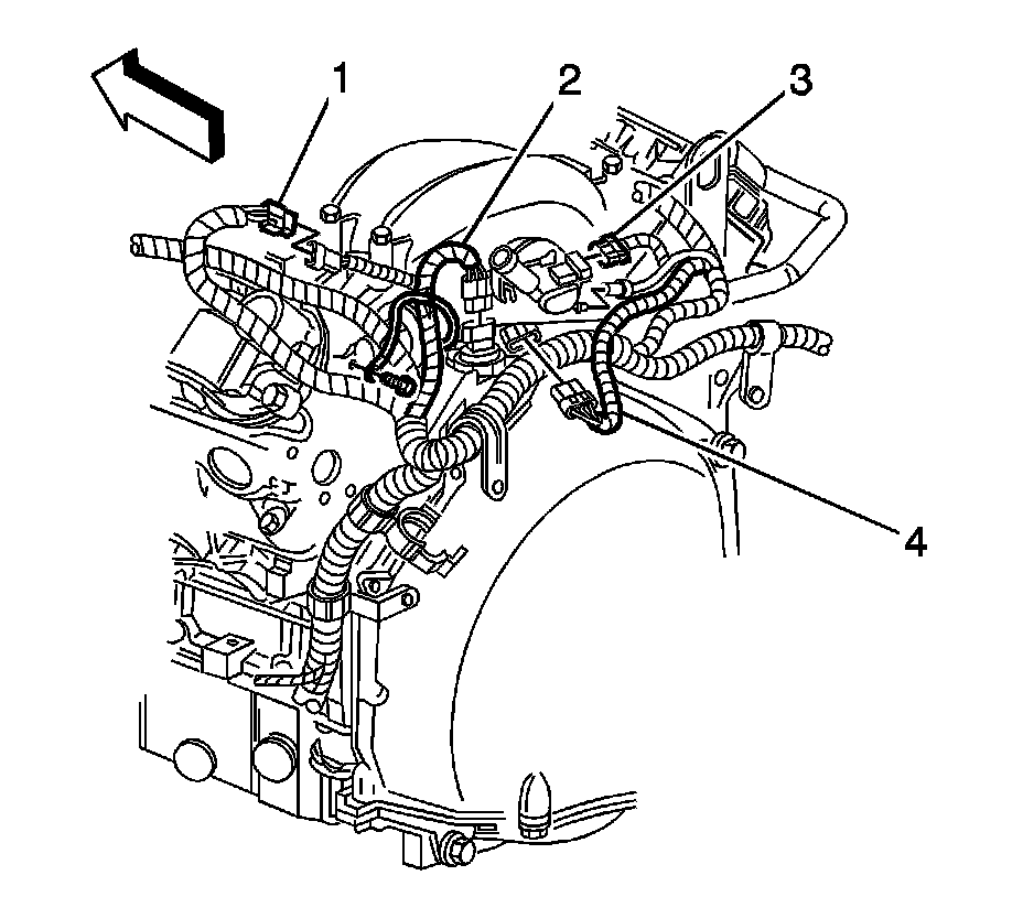
4. Disconnect the electrical connector for the oil pressure sensor/switch (2).




5. Using the J 41712 (1) , remove the oil pressure sensor/switch.

Installation Procedure




1. If installing the old sensor, apply threadlocker sealant. Refer to Diagnostic Starting Point - Engine Mechanical (Initial Inspection and Diagnostic Overview) for the correct part number.

Caution: Refer to Fastener Caution (Fastener Caution).

2. Using the J 41712 (1), install the oil pressure sensor/switch.

Tighten the engine oil pressure sensor to 20 Nm (15 lb ft).




3. Reconnect the oil pressure sensor/switch electrical connector (2).




4. Install the vacuum hose for the power brake booster.
5. Install the left engine sight cover. Refer to Upper Intake Manifold Sight Shield Replacement (LS9) (Service and Repair)Upper Intake Manifold Sight Shield Replacement (w/o LS9) (Service and Repair).