lemon-mirror:
Home >> Chevrolet >> 2009 >> Colorado 2WD L5-3.7L >> Repair and Diagnosis >> Powertrain Management >> Computers and Control Systems >> Oil Pressure Sensor >> Service and Repair

Oil Pressure Sensor: Service and Repair




Engine Oil Pressure Sensor and/or Switch Replacement

Removal Procedure




1. Raise and support the vehicle. Refer to Lifting and Jacking the Vehicle (Service and Repair).
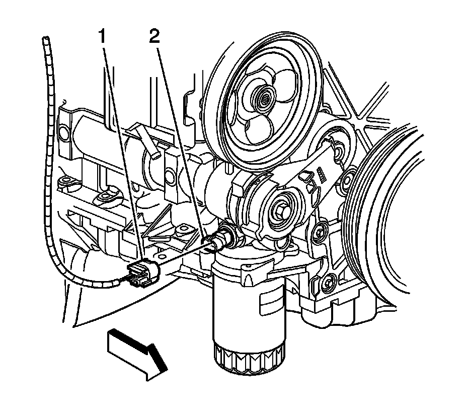
2. Disconnect the engine wiring harness electrical connector (1) from the oil pressure switch (2).




3. Remove the engine oil pressure switch.

Installation Procedure





Caution: Refer to Component Fastener Tightening Caution (Component Fastener Tightening Caution).

1. Install the engine oil pressure switch and tighten to 20 Nm (15 lb ft).




2. Connect the engine wiring harness electrical connector (1) to the oil pressure switch (2).
3. Lower the vehicle.