lemon-mirror:
Home >> Chevrolet >> 2008 >> Uplander V6-3.9L >> Repair and Diagnosis >> Powertrain Management >> Computers and Control Systems >> Relays and Modules - Computers and Control Systems >> Body Control Module >> Service and Repair >> Front Door Module Replacement

Front Door Module Replacement



Front Door Module Replacement

Removal Procedure

1. Remove the door trim panel. Refer to Front Side Door Trim Panel Replacement (Service and Repair).
2. Remove the water deflector. Refer to Front Side Door Water Deflector Replacement (Service and Repair).
3. Remove the front door speaker. Refer to Radio Front Speaker Replacement (Radio Front Speaker Replacement).
4. Disconnect the door wiring harness from the body harness.
5. Disconnect the sash from the glass by squeezing the tabs on both of the glass attachment clips at the same time. With the tabs pressed down, slide the sash in the direction of the snap tabs until the sash clips clear the glass attachment clips.




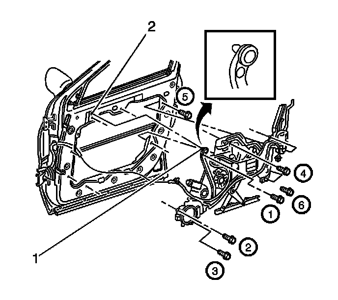
6. Slide the glass (1) full up and tape in place to the door window frame (2).




7. Remove the 3 door to latch (2) screws.
8. Remove the outside handle from the door, including the disconnecting rod. Refer to Front Side Door Outside Handle Replacement (Service and Repair).




9. Pull the door harness through hinge face into door cavity and remove the door module (1).

Installation Procedure




1. Position the front door hardware module to the front door.
2. Align the modular locator pin (1) into the 4-way locating hole (2) in the door structure.

Notice: Refer to Fastener Notice (Fastener Notice).

3. Install the front door module screws.

Tighten the screws, in sequence as shown, to 10 N.m (89 lb in).




4. Install the 3 (1) door to latch (2) screws.

Tighten the screws, in sequence as shown, to 10 N.m (89 lb in).

5. Install the outside handle including the rod connect. Refer to Front Side Door Outside Handle Replacement (Service and Repair).
6. Remove the tape on the glass and install the glass to the door module sash.
7. Load the door wiring harness through the hinge face and attach to the body harness.
8. Install the front door water deflector. Refer to Front Side Door Water Deflector Replacement (Service and Repair).
9. Install the front door speaker. Refer to Radio Front Speaker Replacement (Radio Front Speaker Replacement).
10. Install the door trim panel. Refer to Front Side Door Trim Panel Replacement (Service and Repair).