lemon-mirror:
Home >> Chevrolet >> 2008 >> Uplander V6-3.9L >> Repair and Diagnosis >> Diagrams >> Exploded Views >> Automatic Transmission/Transaxle >> Internal Components

Internal Components



Disassembled Views

Internal Components (1 of 2)

Internal Components:




601 - 4th Clutch Spring Retaining Ring
602 - 4th Clutch Piston Return Spring Assembly
603 - 4th Clutch Piston Assembly
604 - 4th Clutch Piston Seal Outer
605 - 4th Clutch Piston Seal Inner
606 - Drawn Cup Bearing Assembly
607 - Orificed Cup Plug
608 - Drive Link Lube Scoop
609 - Driven Sprocket Support Assembly
610 - Cup Plug
611 - Thrust Washer Driven Sprocket Support 2nd Clutch Drum
613 - Oil Seal Ring
614 - Driven Sprocket Support Bushing
615 - Reverse Band Assembly
616 - 75.5 OD X 8.0 Bushing
617 - 2nd Clutch Housing
618 - Check Valve Retainer and Ball Assembly 2nd Clutch
619 - 70.0 OD X 11.0 Bushing
620 - 2nd Clutch Piston w/Molded Seal
621 - 2nd Clutch Apply Ring and Release Spring Assembly
622 - Retaining Ring
623 - 2nd Clutch Plate Waved
624 - 2nd Clutch Plate Assembly Fiber
625 - 2nd Clutch Reaction Plate Steel
626 - Backing Support Ring Plate Steel
627 - 2nd Clutch Retaining Ring Outer
628 - Oil Seal Ring Input Shaft
629 - Thrust Bearing Support Sprocket/Thrust Washer
630 - Selective Thrust Washer Bearing/Input Clutch Hub
631 - Input Shaft Bushing
632 - Input Housing Sleeve and Shaft Assembly
633 - Check Valve Retainer and Ball Assembly
634 - Input Clutch Piston Seal Inner
635 - Input Clutch Piston Seal Outer
636 - Input Clutch Piston
637 - Input Clutch Spring and Retainer Assembly
638 - O-Ring Seal
639 - 3rd Clutch Piston Housing
640 - Retaining Ring 3rd Clutch Piston Housing/Input Shaft
640 - Retaining Ring 3rd Clutch Piston Housing/Input Shaft
641 - 3rd Clutch Piston Seal Inner
642 - 3rd Clutch Piston and Seal Assembly
643 - 3rd Clutch Spring Retainer and Guide Assembly
644 - Thrust Bearing Assembly
645 - 3rd Clutch Plate Waved
646 - 3rd Clutch Plate Assembly OD Spline
647 - 3rd Clutch Plate Assembly ID Spline
648 - 3rd Clutch Backing Plate
649 - 3rd Clutch Backing Plate Retaining Ring
654 - Input Clutch Apply Plate
655 - Input Clutch Plate Waved
657 - Input Clutch Plate Steel
657 - Input Clutch Plate Steel
658 - Input Clutch Backing Plate Steel
659 - Input Clutch Backing Plate Retaining Ring
716 - 2nd Clutch Apply Reaction Plate Tapered
723 - 4th Clutch Shaft to Input Housing Bearing
724 - 3rd Clutch Piston Housing Ball Check Valve Assembly
725 - Input Clutch Plate Assembly Fiber - Pawl Clutch

Internal Components (2 of 2)

Internal Components:




668 - Input Sun Gear
669 - Reverse Reaction Drum
671 - Input Sun Gear Thrust Bearing Assembly
672 - Input Complete Carrier Assembly
673 - Input Carrier/Reaction Carrier Lube Dam
674 - Input/Reaction Carrier Thrust Bearing Assembly
675 - Reaction Complete Carrier Assembly
676 - Reaction Carrier/Sun Gear Thrust Bearing Assembly
677 - Left Hand Reaction Sun Gear Bushing
678 - Reaction Sun/Drum Gear Assembly
679 - Right Hand Reaction Sun Gear Bushing
680 - 2/1 Manual Band Assembly
683 - 1/2 Support Roller Clutch Assembly
685 - Thrust Bearing Assembly
686 - 1/2 Support Bushing
687 - 1/2 Support and Drum
688 - Forward Band Assembly
689 - Final Drive Sun Gear Shaft
690 - Final Drive Internal Gear Bushing
690 - Final Drive Internal Gear Bushing
691 - Bearing 1/2 Support/Internal Gear
692 - Retaining Ring Final Drive Internal Gear
693 - Final Drive Internal Gear
694 - Park Pawl Assembly
695 - Thrust Bearing Assembly Internal Gear/Parking Gear
696 - Parking Gear
697 - Final Drive Sun Gear
698 - Carrier/Sun Gear Thrust Bearing Assembly
699 - Spiral Pinion Gear Pin Retaining Ring
700 - Differential/Final Drive Carrier Assembly
701 - Differential Pinion Shaft
702 - Differential Pinion Shaft Retaining Pin
703 - Thrust Washer Differential Pinion
703 - Thrust Washer Differential Pinion
704 - Differential Pinon Gear
704 - Differential Pinon Gear
705 - Differential Side Gear MN7 has unique left/right gears
705 - Differential Side Gear MN7 has unique left/right gears
706 - Bronze Thrust Washer Differential Side Gear
706 - Bronze Thrust Washer Differential Side Gear
708 - Pinion Thrust Washer Steel
708 - Pinion Thrust Washer Steel
709 - Roller Needle Bearing
710 - Pinion Needle Bearing Spacer
711 - Final Drive Planetary Pinion Gear
712 - Planetary Pinion Gear Pin
713 - Vehicle Speed Sensor Reluctor Wheel
714 - Differential Carrier/Case Washer Thrust
715 - Thrust Bearing Assembly
727 - 3rd Clutch Pawl Assembly
728 - Input Clutch Pawl Assembly

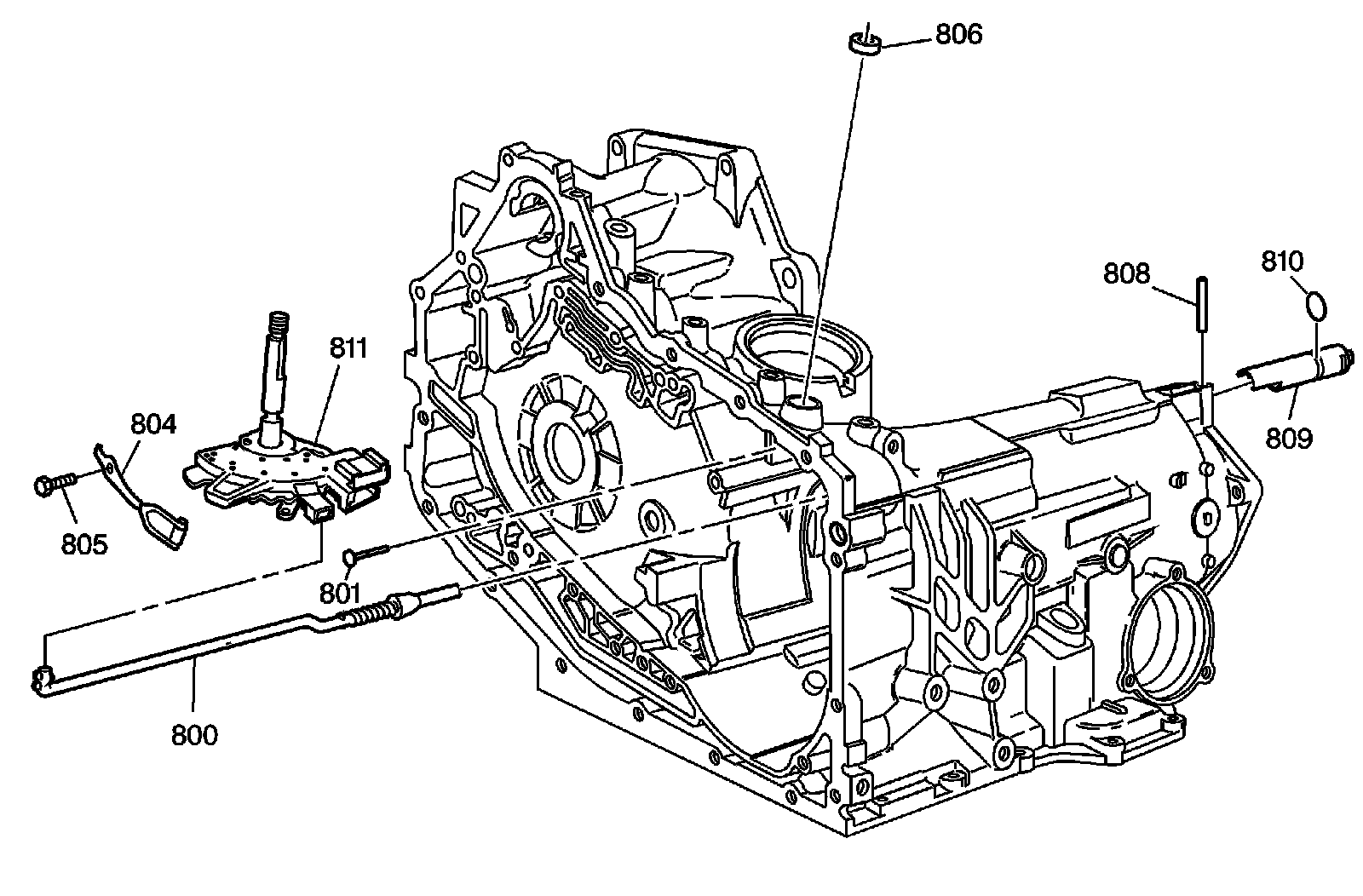
Manual Shaft and Parking System Assembly

Manual Shaft and Parking System Assembly:




800 - Park Pawl Actuator Assembly
801 - Manual Shift Shaft Pin
804 - Manual Shift Detent Assembly
805 - Manual Shift Detent Bolt/Screw
806 - Manual Shift Shaft Seal Assembly
808 - Park Pawl Actuator Guide Pin
809 - Park Pawl Actuator Guide
810 - Park Pawl Actuator Guide O-Ring Seal
811 - Lever Assembly-Manual Shaft Detent with Internal Mode Switch (IMS)