lemon-mirror:
Home >> Chevrolet >> 2008 >> Malibu L4-2.4L >> Repair and Diagnosis >> Diagrams >> Components >> Instrument Panel/Center Console Component Views

Instrument Panel/Center Console Component Views



Instrument Panel/Center Console Component Views

Instrument Panel Overview




1 - Turn Signal/Multifunction Switch
2 - Tap Up/Tap Down Switch - Left (KB7)
3 - Instrument Panel Cluster (IPC)
4 - Tap Up/Tap Down Switch - Right (KB7)
5 - Steering Wheel Control Switch - Right (UK3)
6 - Windshield Wiper/Washer Switch
7 - Ignition Switch
8 - Sunload Sensor (C68)
9 - Radio/Navigation Unit
10 - HVAC Control Module
11 - Inflatable Restraint PASSENGER AIR BAG ON/OFF Indicator
12 - Traction Control Switch (TCS)
13 - Accessory Power Outlet (-DT4)
14 - Accessory A/C Power Outlet (KV1)
15 - Accessory Power Outlet (DT4)
16 - Hazard Warning Switch
17 - Data Link Connector (DLC)
18 - Inflatable Restraint Steering Wheel Module
19 - Fog Lamp Switch (T96)
20 - I/P Dimmer Switch
21 - Adjustable Pedal Position Switch (JF4)
22 - Steering Wheel Control Switch - Left (UK3)

HVAC Module




1 - Air Temperature Actuator
2 - Air Temperature Sensor - Upper (C68)
3 - Mode Actuator
4 - Recirculation Actuator
5 - Air Temperature Sensor - Lower (C68)

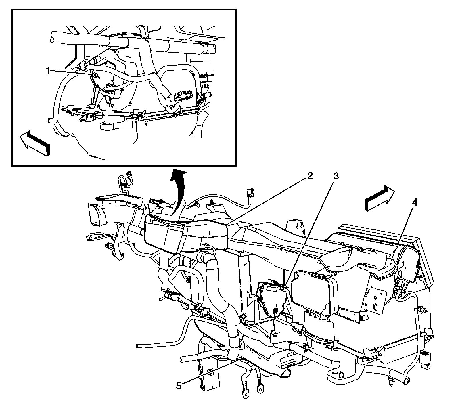
HVAC Module




1 - Blower Motor
2 - Blower Motor Control Module (C68)
3 - Blower Motor Resistor Assembly (C60)

Behind the Instrument Panel




1 - Vehicle Communications Interface Module (VCIM) (UE1)
2 - Speaker - Right Front Tweeter
3 - Inflatable Restraint I/P Module
4 - Adjustable Pedal Position Motor (JF4)
5 - Theft Deterrent Module (TDM)
6 - Speaker - Left Front Tweeter
7 - Adjustable Pedal Module (JF4)
8 - Brake Pedal Position Sensor
9 - Body Control Module (BCM)
10 - Adjustable Pedal Position Sensor (JF4)

Steering Column




1 - Inflatable Restraint Steering Wheel Module Coil
2 - Power Steering Control Module (NV7)
3 - Steering Wheel Position Sensor (FX3)

Adjustable Pedals




1 - Adjustable Pedal Module (JF4)
2 - Adjustable Pedal Position Motor (JF4)
3 - Accelerator Pedal Position (APP) Sensor
4 - Adjustable Pedal Position Sensor (JF4)
5 - Adjustable Pedal Position Switch (JF4)

Console Shifter




1 - Automatic Transmission Shift Lock Control Solenoid