lemon-mirror:
Home >> Chevrolet >> 2008 >> Impala V6-3.9L >> Repair and Diagnosis >> Diagrams >> Components >> Door Component Views

Door Component Views



Door Component Views

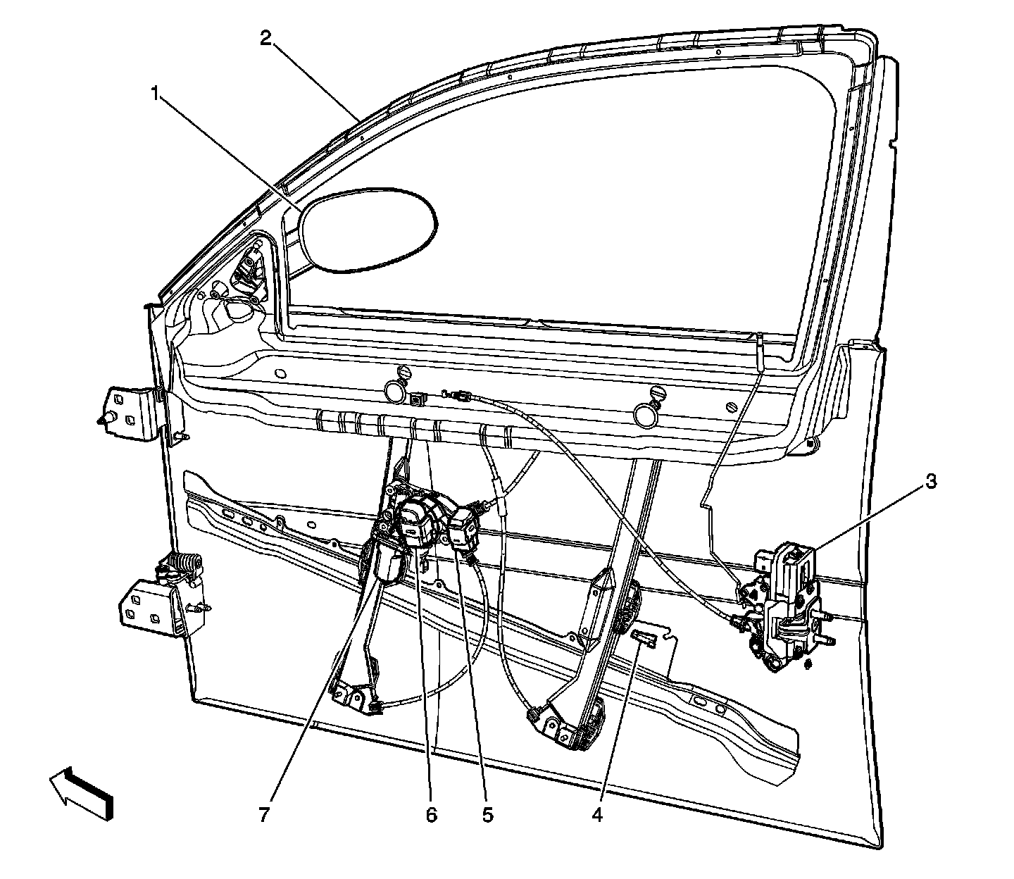
Driver Door




1 - Door Frame
2 - Outside Rearview Mirror - Driver
3 - Door Lock Switch - Driver
4 - Window Switch - Driver
5 - Outside Rearview Mirror Switch
6 - Window Motor - Driver
7 - Inflatable Restraint Side Impact Sensor (SIS) Left (AY1)
8 - Door Lock - Driver

Passenger Door




1 - Door Lock Switch - Passenger
2 - Outside Rearview Mirror - Passenger
3 - Door Frame
4 - Door Lock - Passenger
5 - Inflatable Restraint Side Impact Sensor (SIS) Right (AY1)
6 - Window Switch - Passenger
7 - Window Motor - Passenger

Left Rear Door




1 - Door Frame
2 - Window Switch - Left Rear
3 - Window Motor - Left Rear
4 - Door Lock - Left Rear

Right Rear Door




1 - Window Switch - Right Rear
2 - Door Frame
3 - Door Lock - Right Rear
4 - Window Motor - Right Rear