lemon-mirror:
Home >> Chevrolet >> 2008 >> HHR L4-2.4L >> Repair and Diagnosis >> Diagrams >> Components >> Front of Vehicle/Engine Compartment Component Views

Front of Vehicle/Engine Compartment Component Views



Front of Vehicle/Engine Compartment Component Views

Body Harness - Engine Compartment




1 - Right Front Fender
2 - X171 (JM4)
3 - Fuse Block - Underhood X2
4 - Left Front Strut Tower
5 - Fuse Block - Underhood X4
6 - G111
7 - X121
8 - X171 (JM4)
9 - X170 (JM4)

G103




1 - Transmission Control Module (TCM)
2 - G103
3 - Upper Radiator Support
4 - Electronic Brake Control Module (EBCM)
5 - Engine Control Module (ECM)

Left Front of the Engine Compartment




1 - Windshield Washer Fluid Pump
2 - Windshield Wiper Motor Assembly
3 - Brake Fluid Level Switch
4 - Fuse Block - Underhood
5 - G111
6 - Transmission Control Module (TCM) (MN5)
7 - Engine Control Module (ECM)
8 - Electronic Brake Control Module (EBCM)

Front of the Vehicle




1 - Park / Turn Signal / DRL Lamp - Right Front
2 - Headlamp - Right
3 - Headlamp - Left
4 - Park / Turn Signal / DRL Lamp - Left Front
5 - Marker Lamp - Left Front
6 - Fog Lamp - Left Front (T37)
7 - Fog Lamp - Right Front (T37)
8 - Marker Lamp - Right Front

Left Front of the Vehicle




1 - Upper Radio Support
2 - Left Front Headlamp Assembly
3 - Horn

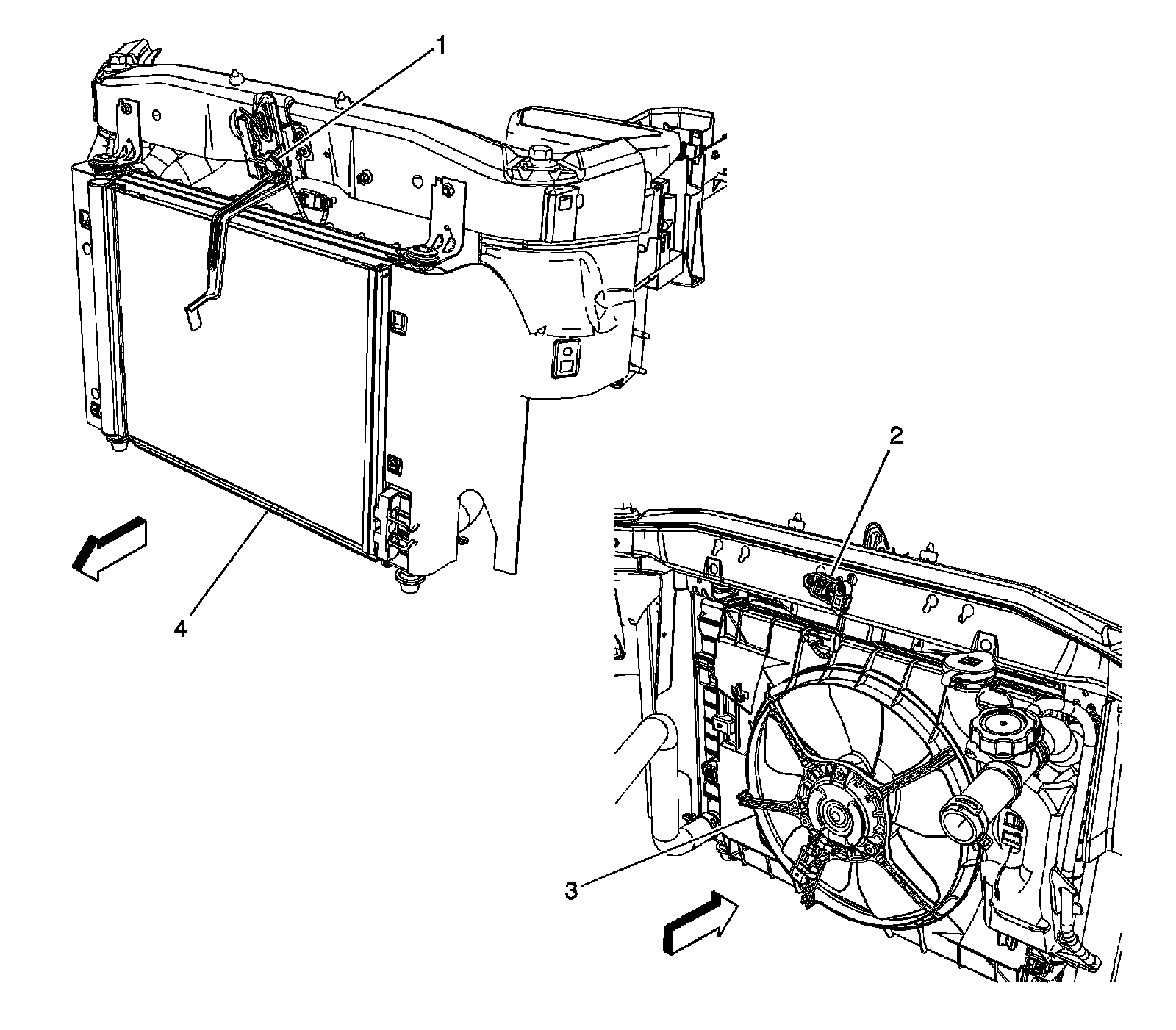
Front of the Engine Compartment

Front of the Engine Compartment:




1 - Hood Ajar Switch (AP3)
2 - Inflatable Restraint Front End Sensor
3 - Engine Cooling Fan
4 - Radiator

Lower Front of the Engine




1 - Generator
2 - Starter
3 - A/C Refrigerant Pressure Sensor
4 - A/C Compressor Clutch

Ambient Air Temperature Sensor




1 - Ambient Air Temperature Sensor

Left Side of the Engine Compartment




1 - Liftgate Relay Block (Panel Van)
2 - Transmission Control Module (TCM)
3 - Engine Control Module (ECM)