lemon-mirror:
Home >> Chevrolet >> 2008 >> HHR L4-2.2L >> Repair and Diagnosis >> Powertrain Management >> Ignition System >> Knock Sensor >> Service and Repair

Knock Sensor: Service and Repair



Knock Sensor Replacement

Removal Procedure





1. Raise and suitably support the vehicle. Refer to Lifting and Jacking the Vehicle (Service and Repair) .
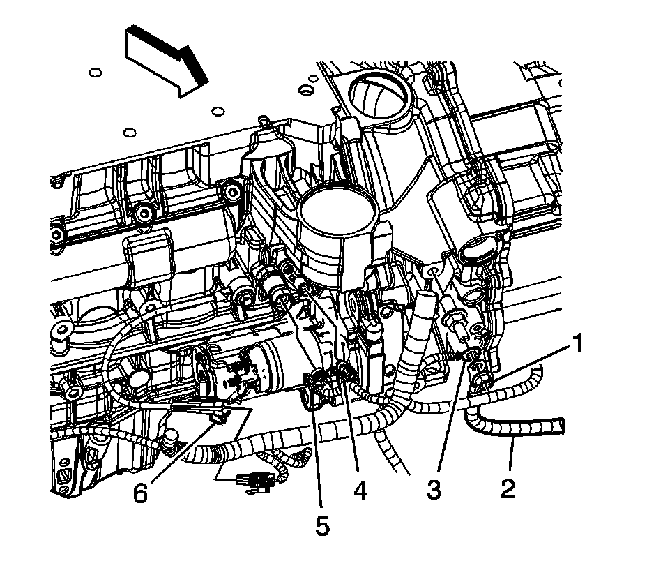
2. Disconnect the knock sensor (KS) harness electrical connector (6).




3. Remove the KS bolt.
4. Remove the KS.



Installation Procedure





1. Install the KS.

Notice: Refer to Fastener Notice (Fastener Notice) .

2. Install the KS bolt.

Tighten the bolt to 25 N.m (18 lb ft).





3. Connect the KS harness electrical connector (6).
4. Lower the vehicle.