lemon-mirror:
Home >> Chevrolet >> 2008 >> HHR L4-2.2L >> Repair and Diagnosis >> Powertrain Management >> Computers and Control Systems >> Relays and Modules - Computers and Control Systems >> Engine Control Module >> Service and Repair

Engine Control Module: Service and Repair



Engine Control Module Replacement

Notice:
* Turn the ignition OFF when installing or removing the control module connectors and disconnecting or reconnecting the power to the control module (battery cable, powertrain control module (PCM)/engine control module (ECM)/transaxle control module (TCM) pigtail, control module fuse, jumper cables, etc.) in order to prevent internal control module damage.
* Control module damage may result when the metal case contacts battery voltage. DO NOT contact the control module metal case with battery voltage when servicing a control module, using battery booster cables, or when charging the vehicle battery.
* In order to prevent any possible electrostatic discharge damage to the control module, do no touch the connector pins or the soldered components on the circuit board.
* Remove any debris from around the control module connector surfaces before servicing the control module. Inspect the control module connector gaskets when diagnosing or replacing the control module. Ensure that the gaskets are installed correctly. The gaskets prevent contaminant intrusion into the control module.
* The replacement control module must be programmed.



Important: It is necessary to record the remaining engine oil life. If the replacement module is not programed with the remaining engine oil life, the engine oil life will default to 100 percent. If the replacement module is not programmed with the remaining engine oil life, the engine oil will need to be changed at 5000 km (3,000 mi) from the last engine oil change.




Removal Procedure





1. Using a scan tool, retrieve the percentage of remaining engine oil. Record the remaining engine oil life.
2. Disconnect the negative battery cable. Refer to Battery Negative Cable Disconnection and Connection (Service and Repair) .
3. Remove the ECM/TCM cover.




4. Disconnect the body harness electrical connector (1) from the ECM.




5. Disconnect the engine harness electrical connector (1) from the ECM.





Notice: Control module damage may result when the metal case contacts battery voltage. DO NOT contact the control module metal case with battery voltage when servicing a control module, using battery booster cables or when charging the vehicles battery.

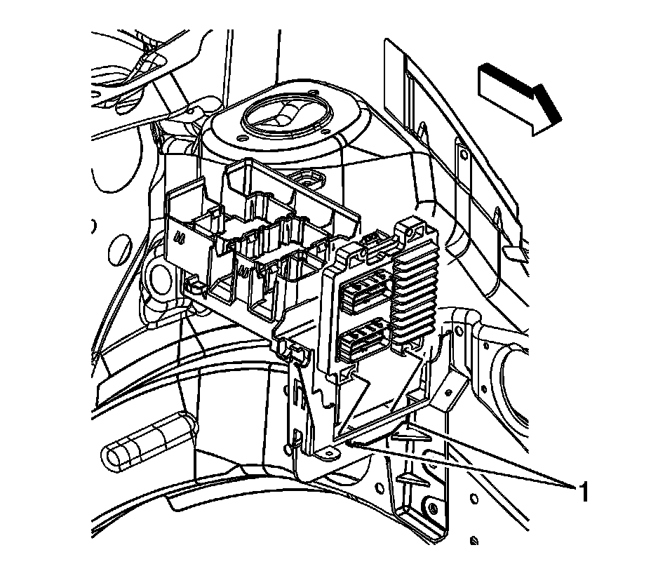
6. Release the retaining tab (1) in order to release the ECM from the underhood junction block bracket.



Installation Procedure






Notice: Control module damage may result when the metal case contacts battery voltage. DO NOT contact the control module metal case with battery voltage when servicing a control module, using battery booster cables or when charging the vehicles battery.

1. Install the ECM, securing the ECM to the underhood junction block bracket retaining tab (1).




2. Connect the engine wiring harness electrical connector (1) to the ECM.




3. Connect the body wiring harness electrical connector (1) to the ECM.




4. Install the ECM/TCM cover.
5. Connect the negative battery cable. Refer to Battery Negative Cable Disconnection and Connection (Service and Repair) .
6. Program the ECM. Refer to Control Module References (Programming and Relearning) .