lemon-mirror:
Home >> Chevrolet >> 2008 >> Express 2500 V8-4.8L >> Repair and Diagnosis >> Powertrain Management >> Computers and Control Systems >> Knock Sensor >> Service and Repair

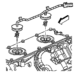
Knock Sensor: Service and Repair



Knock Sensor Replacement

Removal Procedure




1. Remove the intake manifold.
2. Remove the knock sensor (KS) wiring harness assembly.




3. Remove the KS.

Installation Procedure






Notice: Refer to Fastener Notice.

1. Install the KS.

Torque the sensor to 20 N.m (15 lb ft).




2. Install the KS wiring harness assembly.
3. Install the intake manifold.