lemon-mirror:
Home >> Chevrolet >> 2008 >> Corvette V8-6.2L >> Repair and Diagnosis >> Diagrams >> Exploded Views >> Drive/Propeller Shaft

Drive/Propeller Shaft



Driveline Disassembled Views

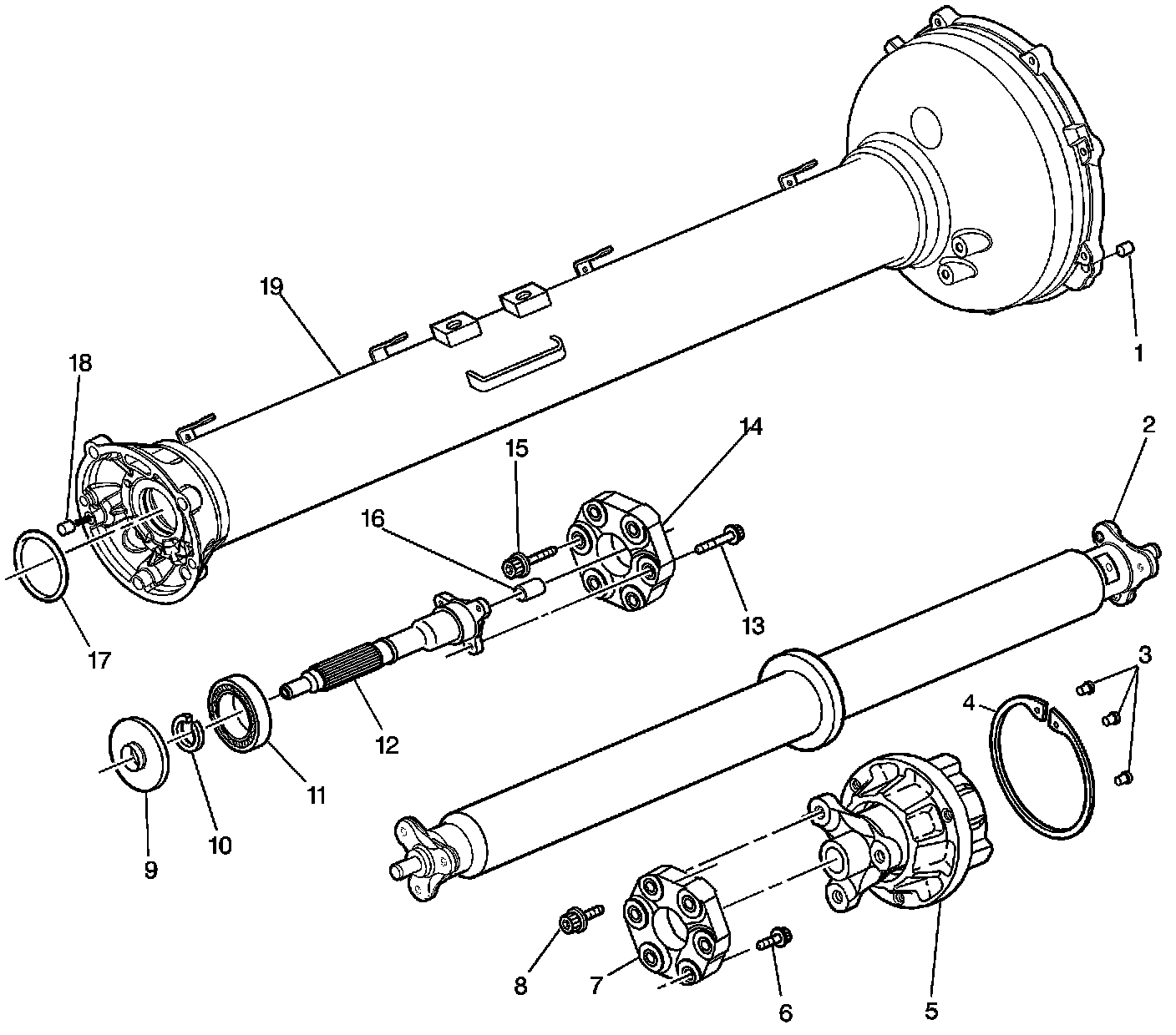
Driveline Assembly -Manual Transmission




1 - Dowel Pin
2 - Propeller Shaft
3 - Plugs
4 - Snap Ring
5 - Bearing Housing Assembly
6 - Bolt
7 - Coupling
8 - Bolt
9 - Slinger Washer
10 - Snap Ring
11 - Bearing
12 - Input Shaft
13 - Bolt
14 - Coupling
15 - Bolt
16 - Bushing
17 - O-Ring
18 - Dowel Pin
19 - Driveline Tube

Driveline Assembly - Automatic Transmission




1 - Dowel Pin
2 - Access Hole Plug
3 - Propeller Shaft
4 - Bushing
5 - Plugs
6 - Snap Ring
7 - Bearing Housing Assembly
8 - Bolt
9 - Coupling
10 - Bolt
11 - Slinger Washer
12 - Snap Ring
13 - Bearing
14 - Input Shaft
15 - Bolt
16 - Coupling
17 - Bolt
18 - Bushing
19 - Plug
20 - O-Ring
21 - Dowel Pin
22 - Driveline Tube

Rear Bearing Housing Assembly - Manual Transmission




1 - Bushing
2 - Bushing
3 - Hub
4 - Bearing
5 - Snap Ring
6 - Snap Ring
7 - Wave Washer
8 - O-Ring
9 - Bearing Housing
10 - O-Ring
11 - Bearing
12 - Snap Ring
13 - Snap Ring
14 - Plugs

Rear Bearing Housing Assembly - Automatic Transmission




1 - Nut
2 - Hub
3 - Snap Ring
4 - Bearing
5 - O-Ring
6 - Bearing Housing
7 - O-Ring
8 - Snap Ring
9 - Snap Ring
10 - Bearing
11 - Flexplate Spindle
12 - Plugs