lemon-mirror:
Home >> Chevrolet >> 2008 >> Colorado 2WD L4-2.9L >> Repair and Diagnosis >> Powertrain Management >> Computers and Control Systems >> Transmission Position Sensor/Switch >> Service and Repair

Transmission Position Sensor/Switch: Service and Repair



Park/Neutral Position and Backup Lamp Switch Replacement

Tools Required

J 41364-A Park Neutral Switch Aligner

Removal Procedure

1. Apply the parking brake.
2. Shift the transmission into NEUTRAL.
3. Raise and support the vehicle. Refer to Lifting and Jacking the Vehicle (Service and Repair) .




4. Remove the nut securing the transmission control lever to the manual shaft.
5. Remove the transmission control lever from the manual shaft.




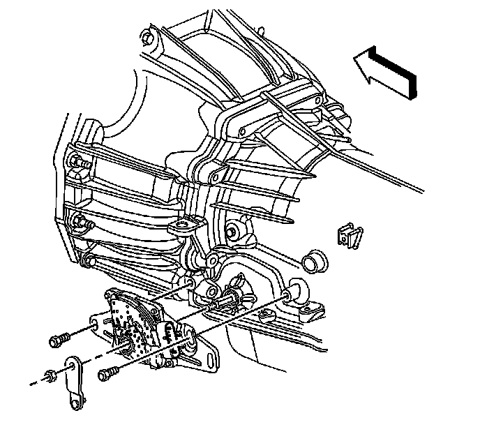
6. Disconnect the electrical connector (3) from the switch (4).




7. Remove the bolts securing the park/neutral back up switch to the transmission.

Important: If the switch does not slide off the manual shaft, the outer edge of the manual shift shaft may need to be filed to remove any burrs.


8. Remove the park/neutral back up switch from the manual shaft.

Installation Procedure




1. Install the park/neutral back up switch to the transmission manual shaft by aligning the switch hub flats with the manual shaft flats.
2. Slide the switch onto the transmission manual shaft until the switch mounting bracket contacts the mounting bosses on the transmission.

Important: If a new switch is being installed, the switch will come with a positive assurance bracket. The positive assurance bracket aligns the new switch in the proper position for installation and the use of the J 41364-A will not be necessary.


3. Loosely install the 2 park/neutral back up switch bolts.




4. Position the J 41364-A onto the park/neutral back up switch. Ensure that the 2 slots on the switch where the manual shaft is inserted are lined up with the lower 2 tabs on the tool.

Notice: Refer to Fastener Notice (Fastener Notice) .

5. Rotate the switch until the upper locator pin on the tool is lined up with the slot on the top of the switch.

Tighten the park/neutral back up switch bolts 27 N.m (20 lb ft).

6. Remove the J 41364-A from the switch. If installing a new switch, remove the positive assurance bracket at this time.




7. Connect the electrical connector (3) to the switch (4).




8. Install the transmission control lever to the manual shaft with the nut.

Tighten the control lever nut to 20 N.m (15 lb ft).

9. Lower the vehicle.
10. Adjust the automatic transmission range selector cable. Refer to Range Selector Lever Cable Adjustment (Adjustments) .
11. Check the switch for proper operation. The engine must start in the P (PARK) or N (NEUTRAL) positions only. If proper operation of the switch can not be obtained, replace the switch.