lemon-mirror:
Home >> Chevrolet >> 2007 >> Silverado 2500 2WD V8-6.0L >> Repair and Diagnosis >> Powertrain Management >> Computers and Control Systems >> Body Control Module >> Service and Repair >> Body Control Module Replacement

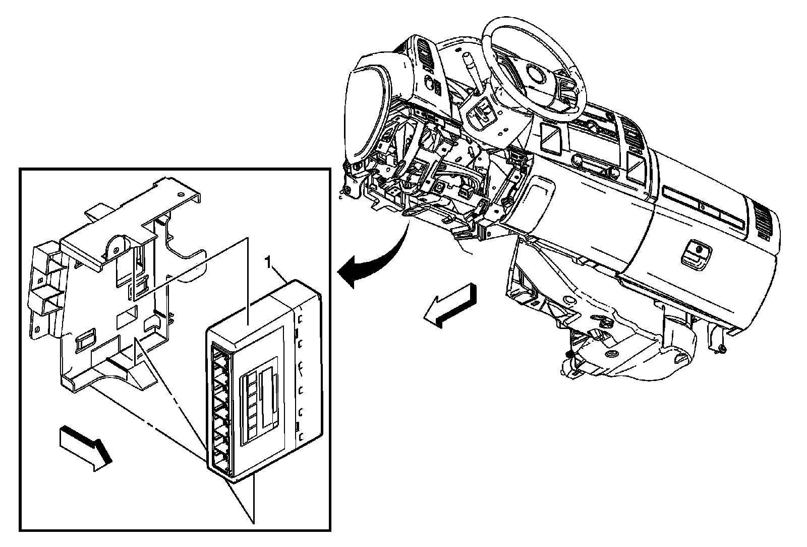
Body Control Module Replacement



Body Control Module Replacement